Yard-Man YM 5655 DE 31AT623D643 (2004) Fahrantrieb Ersatzteile
Fahrantrieb 31AT623D643 (2004)

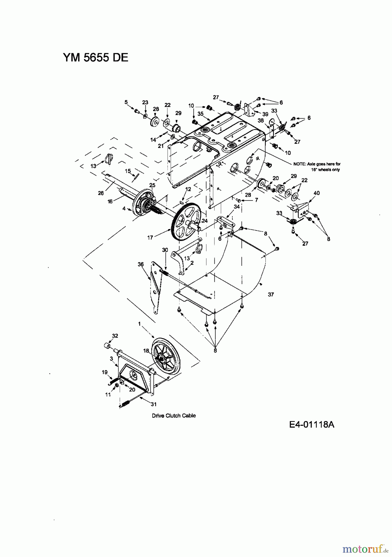
Hier finden Sie die Ersatzteilzeichnung für Yard-Man Schneefräsen YM 5655 DE 31AT623D643 (2004) Fahrantrieb. Wählen Sie das benötigte Ersatzteil aus der Ersatzteilliste Ihres Yard-Man Gerätes aus und bestellen Sie einfach online. Viele Yard-Man Ersatzteile halten wir ständig in unserem Lager für Sie bereit.
















