Yard-Man E 7 E 3 G 31AE7E3G643 (2001) Fahrantrieb Ersatzteile
Fahrantrieb 31AE7E3G643 (2001)

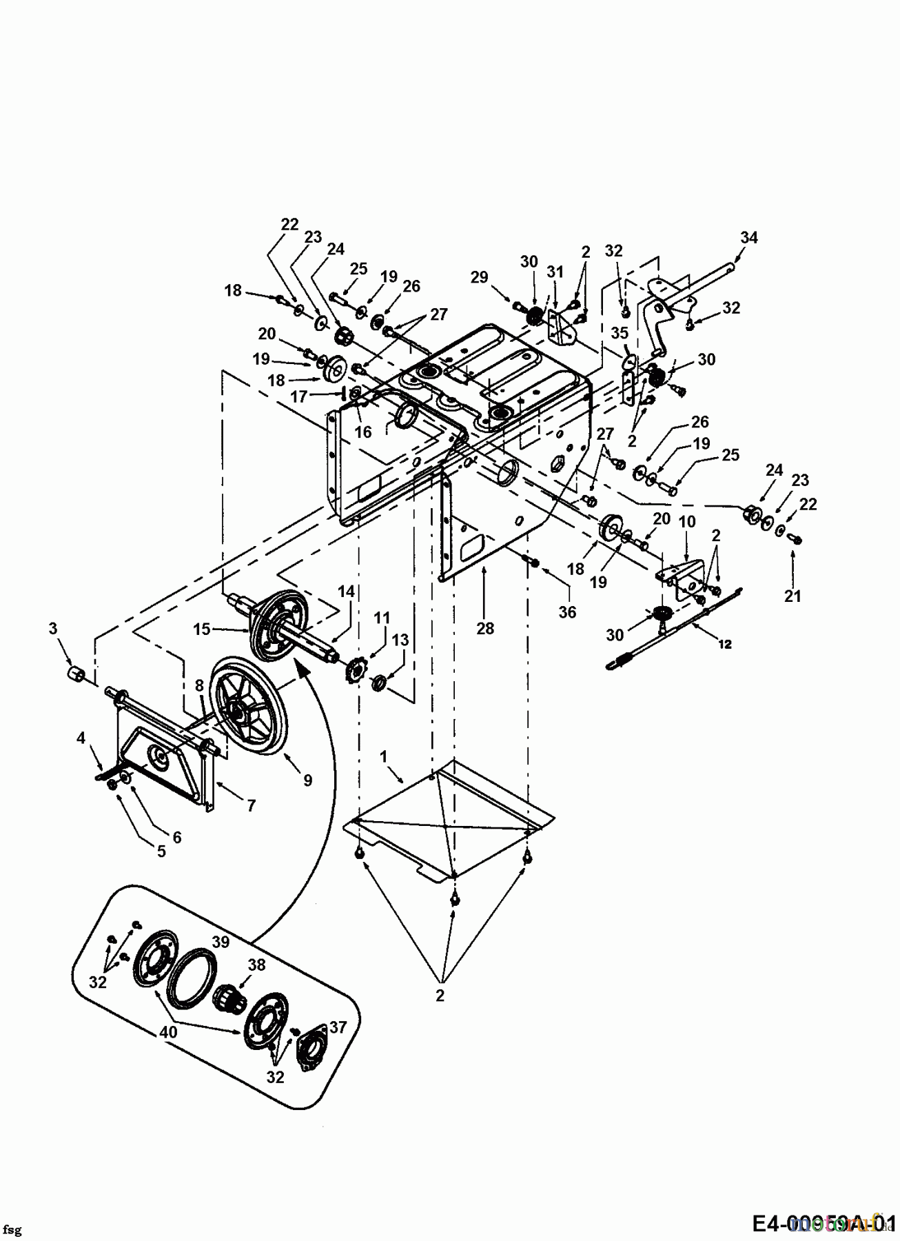
Hier finden Sie die Ersatzteilzeichnung für Yard-Man Schneefräsen E 7 E 3 G 31AE7E3G643 (2001) Fahrantrieb. Wählen Sie das benötigte Ersatzteil aus der Ersatzteilliste Ihres Yard-Man Gerätes aus und bestellen Sie einfach online. Viele Yard-Man Ersatzteile halten wir ständig in unserem Lager für Sie bereit.


Qualitätsmanagement
Informieren Sie uns, wenn Sie einen Fehler gefunden haben.

















