Yard-Man E 653 F 31AE653F643 (1998) Fahrantrieb, Fräsantrieb Ersatzteile
Fahrantrieb, Fräsantrieb 31AE653F643 (1998)

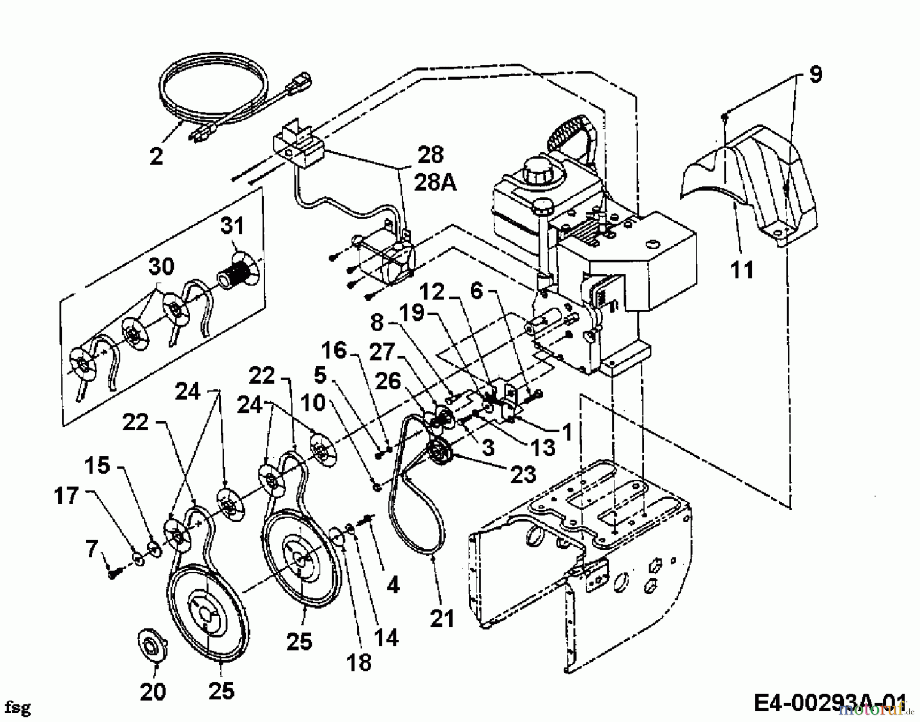
Hier finden Sie die Ersatzteilzeichnung für Yard-Man Schneefräsen E 653 F 31AE653F643 (1998) Fahrantrieb, Fräsantrieb. Wählen Sie das benötigte Ersatzteil aus der Ersatzteilliste Ihres Yard-Man Gerätes aus und bestellen Sie einfach online. Viele Yard-Man Ersatzteile halten wir ständig in unserem Lager für Sie bereit.
Häufig benötigte Yard-Man E 653 F 31AE653F643 (1998) Fahrantrieb, Fräsantrieb Ersatzteile

Artikelnummer: 754-0346
Suche nach: 754-0346
Hersteller: MTD
Yard-Man Ersatzteil Fahrantrieb, Fräsantrieb
Suche nach: 754-0346
Hersteller: MTD
Yard-Man Ersatzteil Fahrantrieb, Fräsantrieb
17.37 €
für EU incl. MwSt., zzgl. Versand


Qualitätsmanagement
Informieren Sie uns, wenn Sie einen Fehler gefunden haben.














