Yard-Man YM 6018 SPS 12BS698I643 (2003) Ersatzteile
12BS698I643 (2003) YM 6018 SPS

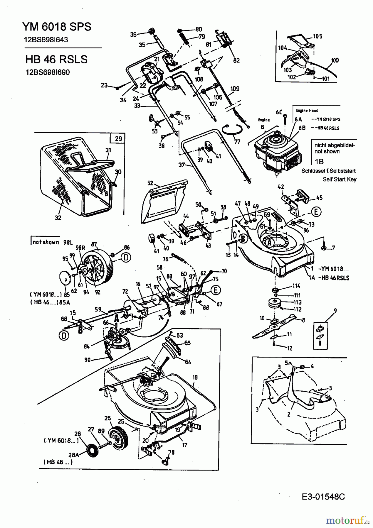
Hier finden Sie die Ersatzteilzeichnung für Yard-Man Motormäher mit Antrieb YM 6018 SPS 12BS698I643 (2003) Grundgerät. Wählen Sie das benötigte Ersatzteil aus der Ersatzteilliste Ihres Yard-Man Gerätes aus und bestellen Sie einfach online. Viele Yard-Man Ersatzteile halten wir ständig in unserem Lager für Sie bereit.
































