Yard-Man YM 6018 SPS 12BS699T643 (2002) Ersatzteile
12BS699T643 (2002) YM 6018 SPS

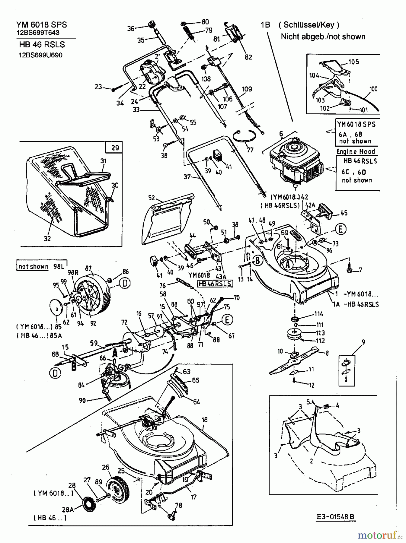
Hier finden Sie die Ersatzteilzeichnung für Yard-Man Motormäher mit Antrieb YM 6018 SPS 12BS699T643 (2002) Grundgerät. Wählen Sie das benötigte Ersatzteil aus der Ersatzteilliste Ihres Yard-Man Gerätes aus und bestellen Sie einfach online. Viele Yard-Man Ersatzteile halten wir ständig in unserem Lager für Sie bereit.
































