Yard-Man YM 6018 SPS 12AS699T643 (2001) Ersatzteile
12AS699T643 (2001) YM 6018 SPS

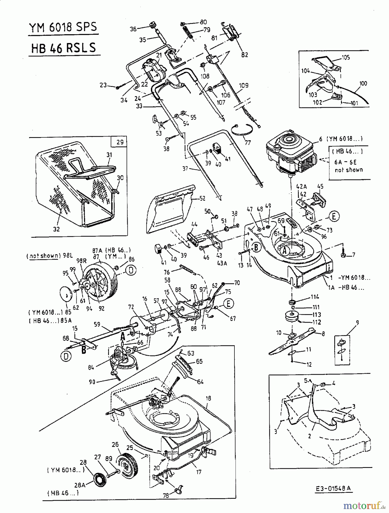
Hier finden Sie die Ersatzteilzeichnung für Yard-Man Motormäher mit Antrieb YM 6018 SPS 12AS699T643 (2001) Grundgerät. Wählen Sie das benötigte Ersatzteil aus der Ersatzteilliste Ihres Yard-Man Gerätes aus und bestellen Sie einfach online. Viele Yard-Man Ersatzteile halten wir ständig in unserem Lager für Sie bereit.
Häufig benötigte Yard-Man YM 6018 SPS 12AS699T643 (2001) Ersatzteile

Artikelnummer: 10622B
Suche nach: 10622B
Hersteller: MTD
Yard-Man Ersatzteil 12AS699T643 (2001)
Suche nach: 10622B
Hersteller: MTD
Yard-Man Ersatzteil 12AS699T643 (2001)
5.20 €
für EU incl. MwSt., zzgl. Versand


Qualitätsmanagement
Informieren Sie uns, wenn Sie einen Fehler gefunden haben.






























