Yard-Man ZG 6170 13AD624G643 (2002) Fahrantrieb Ersatzteile
Fahrantrieb 13AD624G643 (2002)

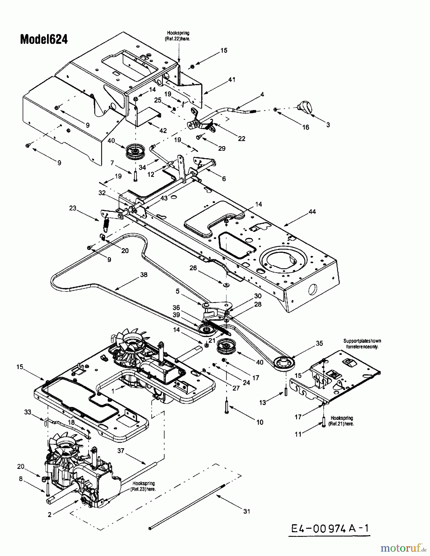
Hier finden Sie die Ersatzteilzeichnung für Yard-Man Rasentraktoren ZG 6170 13AD624G643 (2002) Fahrantrieb. Wählen Sie das benötigte Ersatzteil aus der Ersatzteilliste Ihres Yard-Man Gerätes aus und bestellen Sie einfach online. Viele Yard-Man Ersatzteile halten wir ständig in unserem Lager für Sie bereit.


Qualitätsmanagement
Informieren Sie uns, wenn Sie einen Fehler gefunden haben.
















