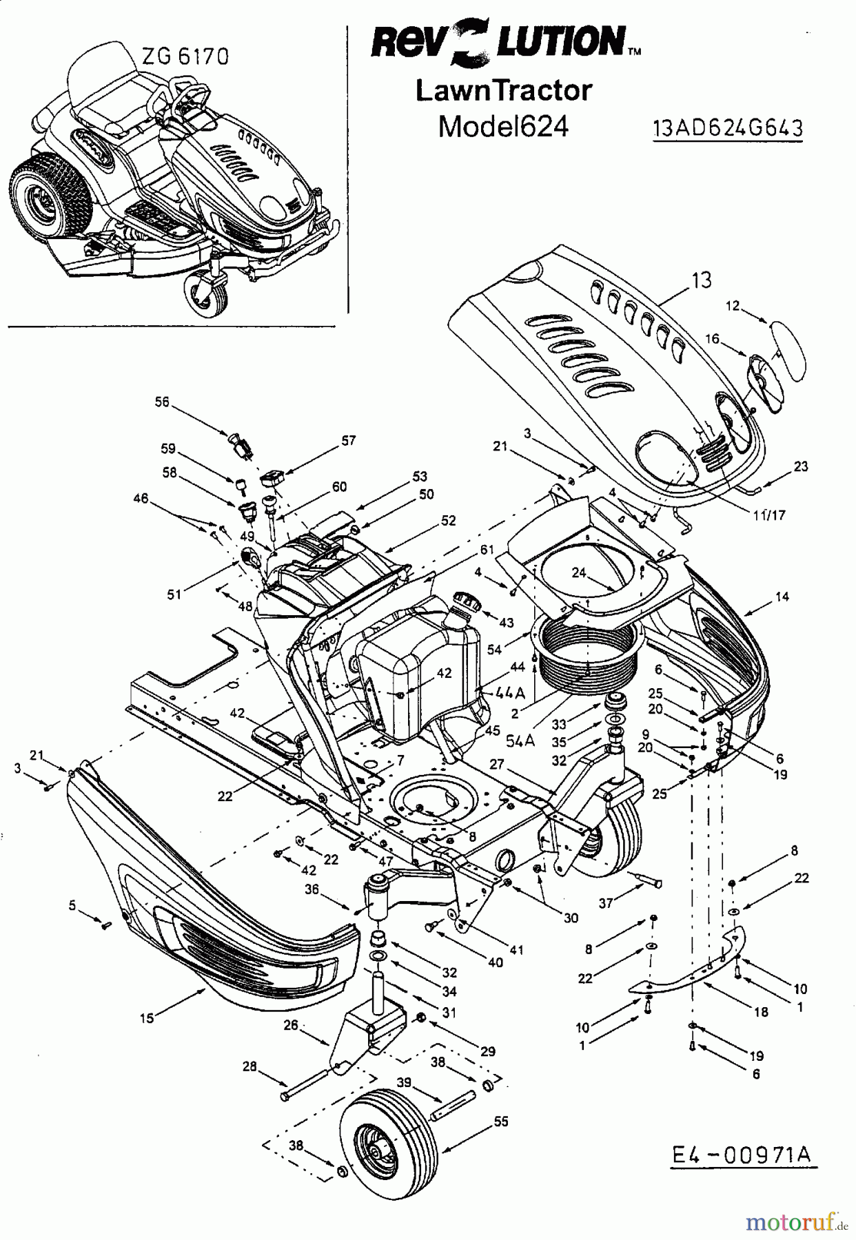
Yard-Man ZG 6170 13AD624G643 (2001) Armaturenbrett, Motorhaube, Sitzwanne Ersatzteile
Armaturenbrett, Motorhaube, Sitzwanne 13AD624G643 (2001)

Hier finden Sie die Ersatzteilzeichnung für Yard-Man Rasentraktoren ZG 6170 13AD624G643 (2001) Armaturenbrett, Motorhaube, Sitzwanne. Wählen Sie das benötigte Ersatzteil aus der Ersatzteilliste Ihres Yard-Man Gerätes aus und bestellen Sie einfach online. Viele Yard-Man Ersatzteile halten wir ständig in unserem Lager für Sie bereit.





















