Yard-Man AG 6150 K 13AI604G643 (2004) Mähwerk G (42"/107cm) Ersatzteile
Mähwerk G (42"/107cm) 13AI604G643 (2004)

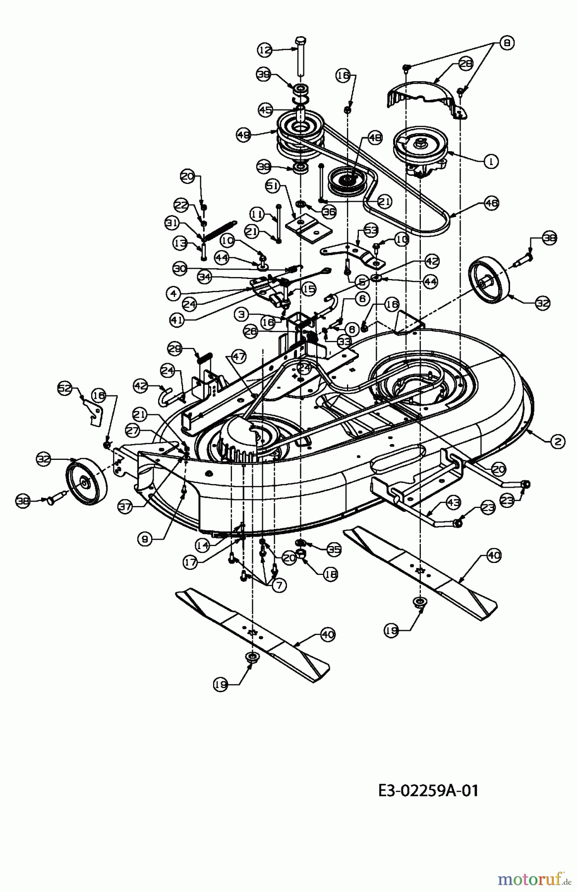
Hier finden Sie die Ersatzteilzeichnung für Yard-Man Rasentraktoren AG 6150 K 13AI604G643 (2004) Mähwerk G (42"/107cm). Wählen Sie das benötigte Ersatzteil aus der Ersatzteilliste Ihres Yard-Man Gerätes aus und bestellen Sie einfach online. Viele Yard-Man Ersatzteile halten wir ständig in unserem Lager für Sie bereit.


Qualitätsmanagement
Informieren Sie uns, wenn Sie einen Fehler gefunden haben.




























