Yard-Man AG 6145 13AP604G643 (2000) Mähwerk G (42"/107cm) bis 02.10.2001 Ersatzteile
Mähwerk G (42"/107cm) bis 02.10.2001 13AP604G643 (2000)

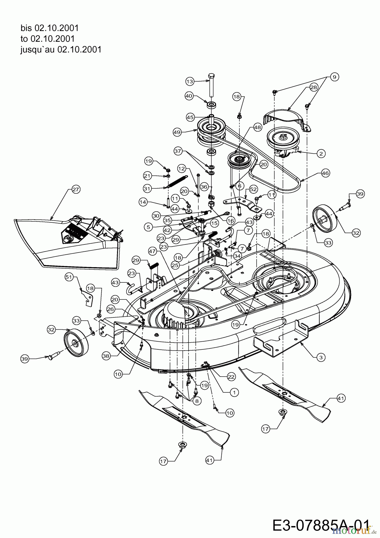
Hier finden Sie die Ersatzteilzeichnung für Yard-Man Rasentraktoren AG 6145 13AP604G643 (2000) Mähwerk G (42"/107cm) bis 02.10.2001. Wählen Sie das benötigte Ersatzteil aus der Ersatzteilliste Ihres Yard-Man Gerätes aus und bestellen Sie einfach online. Viele Yard-Man Ersatzteile halten wir ständig in unserem Lager für Sie bereit.































