Yard-Man YM 5018 PX 11A-X68D643 (2001) Ersatzteile
11A-X68D643 (2001) YM 5018 PX

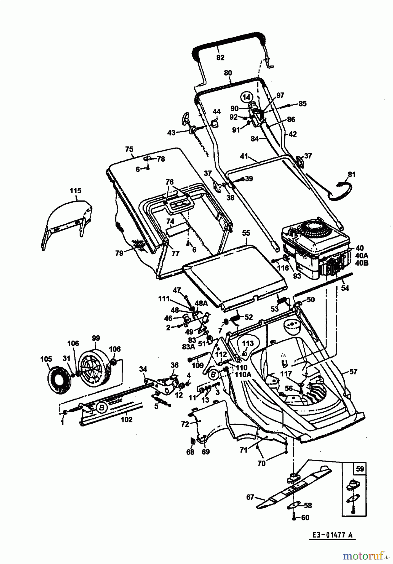
Hier finden Sie die Ersatzteilzeichnung für Yard-Man Motormäher YM 5018 PX 11A-X68D643 (2001) Grundgerät. Wählen Sie das benötigte Ersatzteil aus der Ersatzteilliste Ihres Yard-Man Gerätes aus und bestellen Sie einfach online. Viele Yard-Man Ersatzteile halten wir ständig in unserem Lager für Sie bereit.


Qualitätsmanagement
Informieren Sie uns, wenn Sie einen Fehler gefunden haben.
















