Yard-Man YM 5018 P 11D-T48R643 (2005) Grasfangsack, Holm, Messer, Motor Ersatzteile
Grasfangsack, Holm, Messer, Motor 11D-T48R643 (2005)

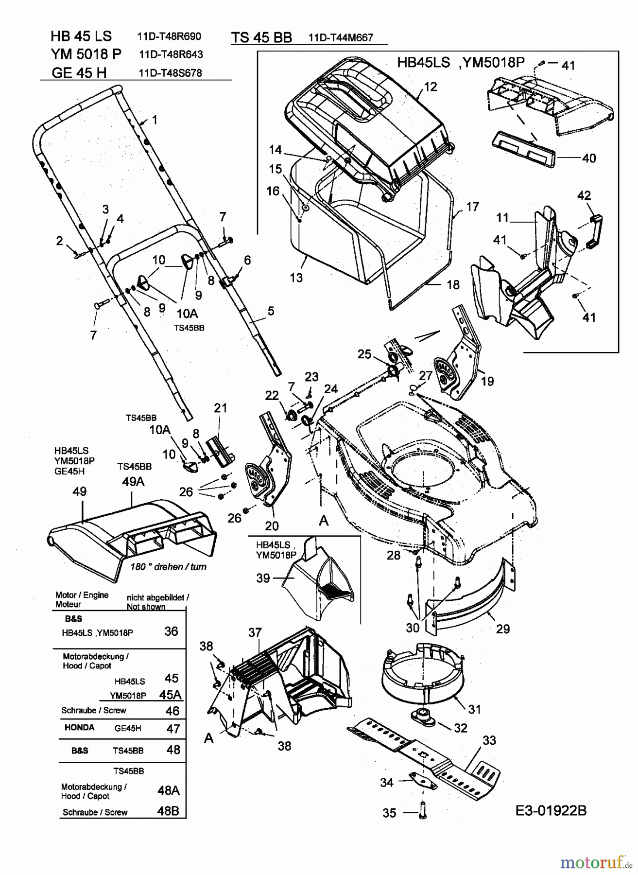
Hier finden Sie die Ersatzteilzeichnung für Yard-Man Motormäher YM 5018 P 11D-T48R643 (2005) Grasfangsack, Holm, Messer, Motor. Wählen Sie das benötigte Ersatzteil aus der Ersatzteilliste Ihres Yard-Man Gerätes aus und bestellen Sie einfach online. Viele Yard-Man Ersatzteile halten wir ständig in unserem Lager für Sie bereit.


Qualitätsmanagement
Informieren Sie uns, wenn Sie einen Fehler gefunden haben.















