Yard-Man YM 4016 P 11C-L34M643 (2005) Ersatzteile
11C-L34M643 (2005) YM 4016 P

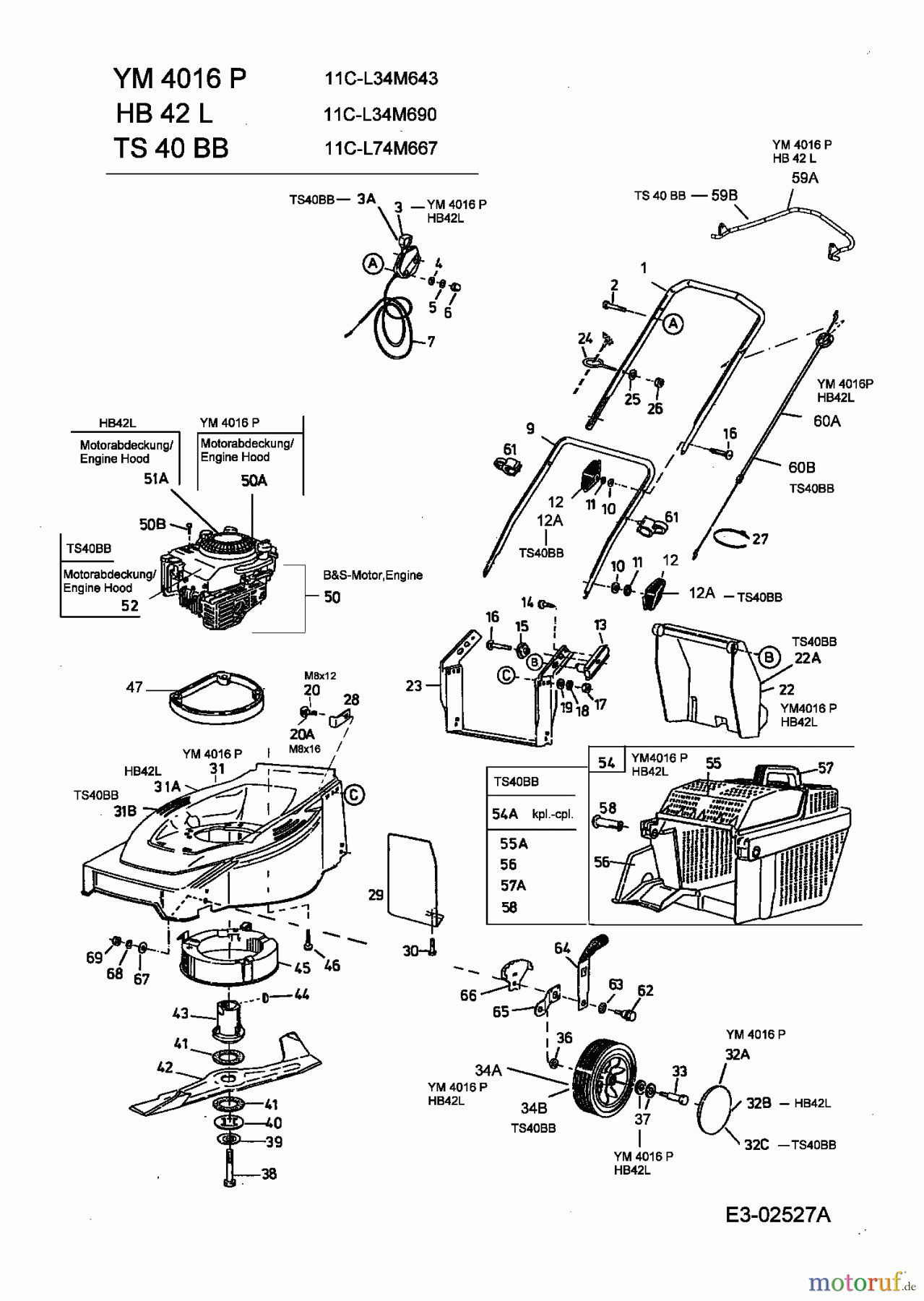
Hier finden Sie die Ersatzteilzeichnung für Yard-Man Motormäher YM 4016 P 11C-L34M643 (2005) Grundgerät. Wählen Sie das benötigte Ersatzteil aus der Ersatzteilliste Ihres Yard-Man Gerätes aus und bestellen Sie einfach online. Viele Yard-Man Ersatzteile halten wir ständig in unserem Lager für Sie bereit.


Qualitätsmanagement
Informieren Sie uns, wenn Sie einen Fehler gefunden haben.



















