Yard-Man TH 8200 14AU834-643 (1998) Vorderachse Ersatzteile
Vorderachse 14AU834-643 (1998)

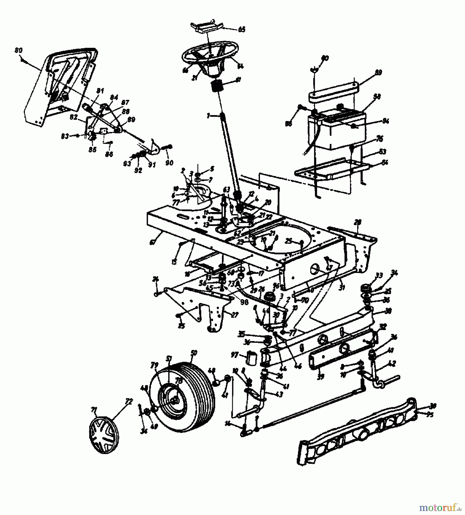
Hier finden Sie die Ersatzteilzeichnung für Yard-Man Gartentraktoren TH 8200 14AU834-643 (1998) Vorderachse. Wählen Sie das benötigte Ersatzteil aus der Ersatzteilliste Ihres Yard-Man Gerätes aus und bestellen Sie einfach online. Viele Yard-Man Ersatzteile halten wir ständig in unserem Lager für Sie bereit.









































