Yard-Man AH 8200 14AU804H643 (2002) Fahrantrieb bis 17.10.2003 Ersatzteile
Fahrantrieb bis 17.10.2003 14AU804H643 (2002)

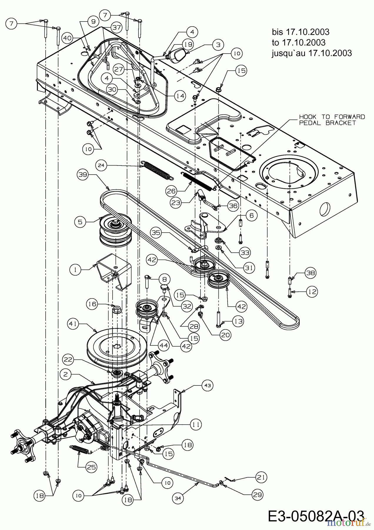
Hier finden Sie die Ersatzteilzeichnung für Yard-Man Gartentraktoren AH 8200 14AU804H643 (2002) Fahrantrieb bis 17.10.2003. Wählen Sie das benötigte Ersatzteil aus der Ersatzteilliste Ihres Yard-Man Gerätes aus und bestellen Sie einfach online. Viele Yard-Man Ersatzteile halten wir ständig in unserem Lager für Sie bereit.






















