Yard-Man YM 1518 02817.07 (1996) Ersatzteile
02817.07 (1996) YM 1518

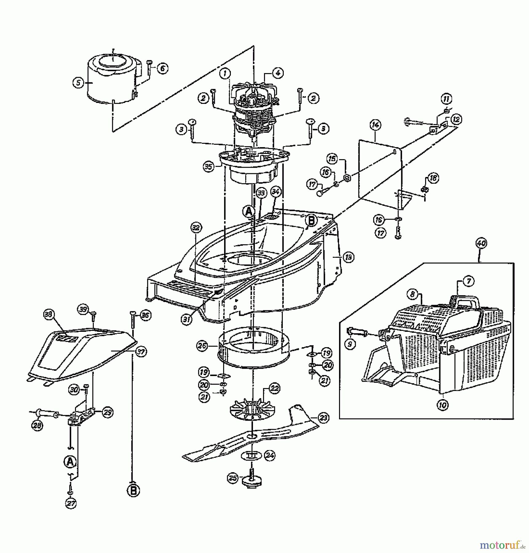
Hier finden Sie die Ersatzteilzeichnung für Yard-Man Elektromäher YM 1518 02817.07 (1996) Grundgerät. Wählen Sie das benötigte Ersatzteil aus der Ersatzteilliste Ihres Yard-Man Gerätes aus und bestellen Sie einfach online. Viele Yard-Man Ersatzteile halten wir ständig in unserem Lager für Sie bereit.


Qualitätsmanagement
Informieren Sie uns, wenn Sie einen Fehler gefunden haben.


