MTD 652 C 24A-652C678 (1999) Gebläsegehäuse, Starter, Zündspule Ersatzteile
Gebläsegehäuse, Starter, Zündspule 24A-652C678 (1999)

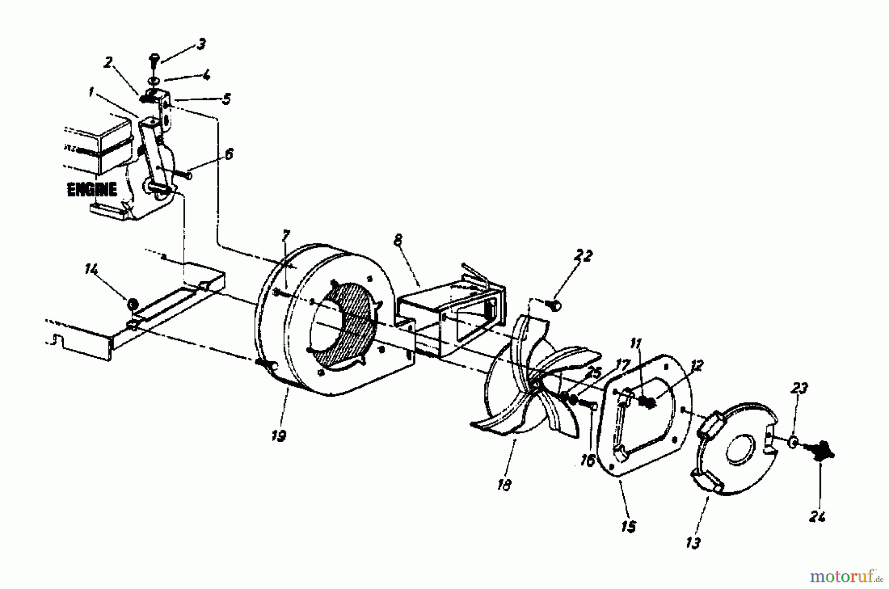
Hier finden Sie die Ersatzteilzeichnung für MTD Laubläser, Laubsauger 652 C 24A-652C678 (1999) Gebläsegehäuse, Starter, Zündspule. Wählen Sie das benötigte Ersatzteil aus der Ersatzteilliste Ihres MTD Gerätes aus und bestellen Sie einfach online. Viele MTD Ersatzteile halten wir ständig in unserem Lager für Sie bereit.


Qualitätsmanagement
Informieren Sie uns, wenn Sie einen Fehler gefunden haben.







