MTD ST 380 D 31A-3PAD678 (2007) Motor Ersatzteile
Motor 31A-3PAD678 (2007)

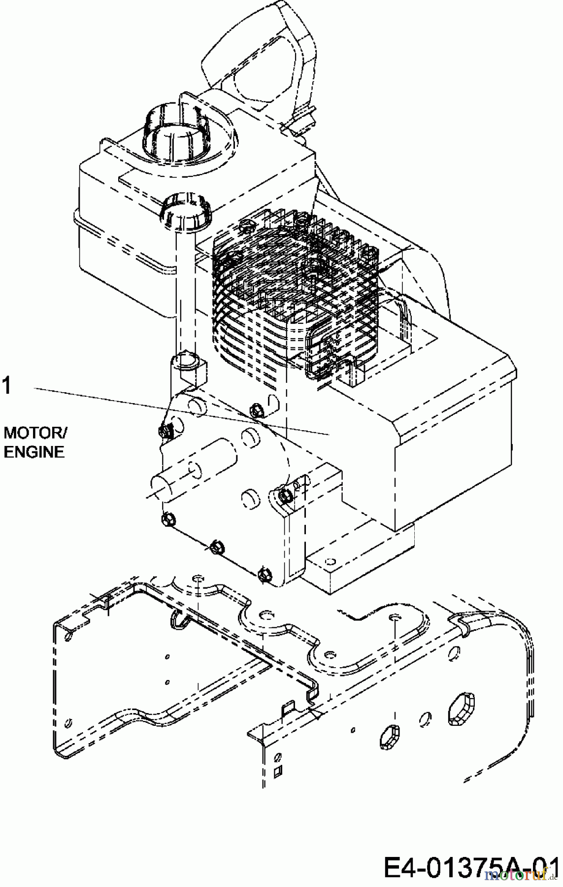
Hier finden Sie die Ersatzteilzeichnung für MTD Schneefräsen ST 380 D 31A-3PAD678 (2007) Motor. Wählen Sie das benötigte Ersatzteil aus der Ersatzteilliste Ihres MTD Gerätes aus und bestellen Sie einfach online. Viele MTD Ersatzteile halten wir ständig in unserem Lager für Sie bereit.
| BildNr | Artikel Nummer | Bezeichnung | |
| 1 | 752T072562 | MOTOR OH195SA-72562G | |


Qualitätsmanagement
Informieren Sie uns, wenn Sie einen Fehler gefunden haben.

