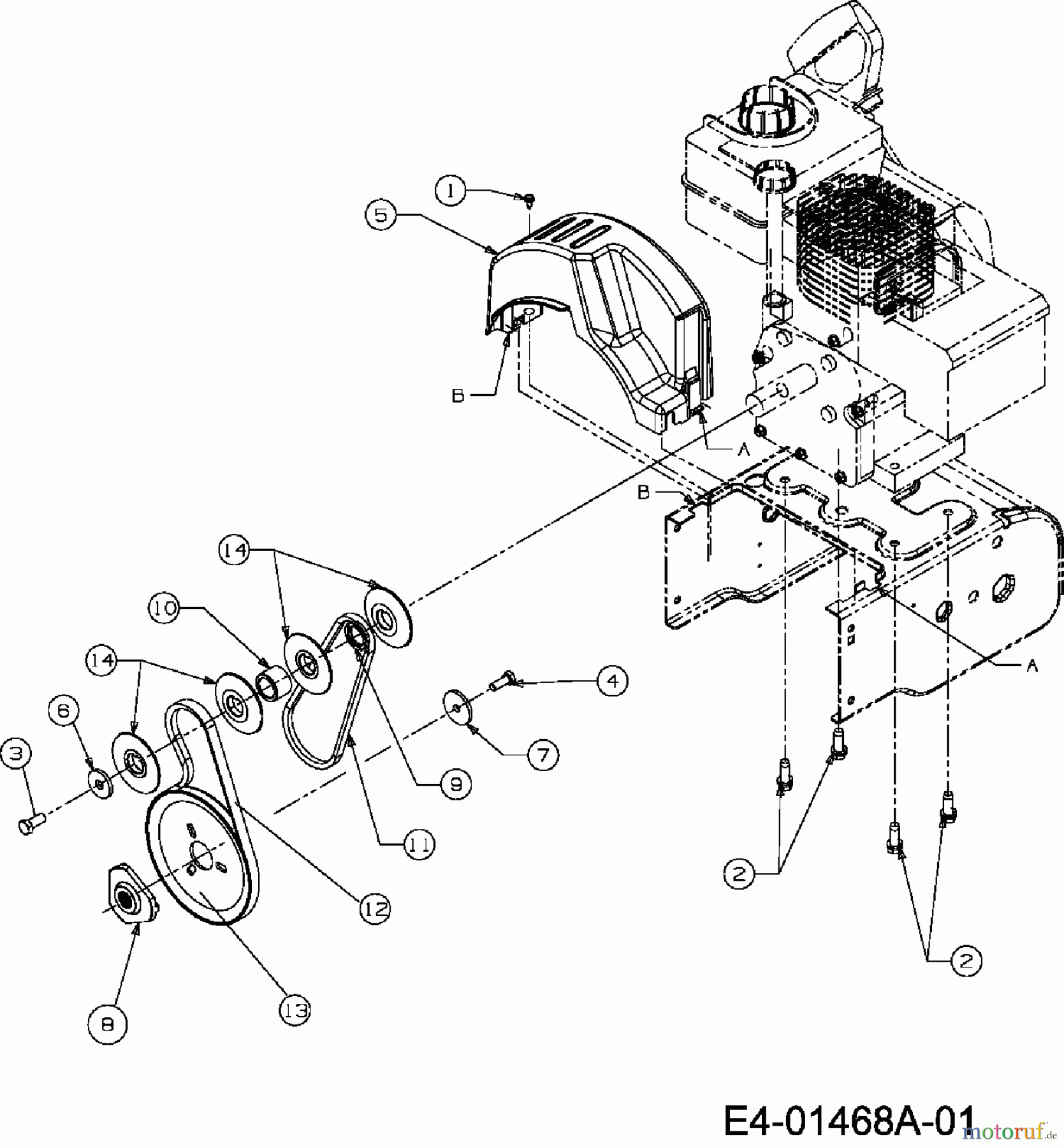
MTD ST 380 D 31A-3PAD678 (2007) Fahrantrieb, Fräsantrieb Ersatzteile
Fahrantrieb, Fräsantrieb 31A-3PAD678 (2007)

Hier finden Sie die Ersatzteilzeichnung für MTD Schneefräsen ST 380 D 31A-3PAD678 (2007) Fahrantrieb, Fräsantrieb. Wählen Sie das benötigte Ersatzteil aus der Ersatzteilliste Ihres MTD Gerätes aus und bestellen Sie einfach online. Viele MTD Ersatzteile halten wir ständig in unserem Lager für Sie bereit.
Häufig benötigte MTD ST 380 D 31A-3PAD678 (2007) Fahrantrieb, Fräsantrieb Ersatzteile

Artikelnummer: 754-04014
Suche nach: 754-04014
Hersteller: MTD
MTD Ersatzteil Fahrantrieb, Fräsantrieb
Suche nach: 754-04014
Hersteller: MTD
MTD Ersatzteil Fahrantrieb, Fräsantrieb
22.88 €
für EU incl. MwSt., zzgl. Versand


Qualitätsmanagement
Informieren Sie uns, wenn Sie einen Fehler gefunden haben.




