MTD SNOW FOX 31A-02G-678 (2003) Ersatzteile
31A-02G-678 (2003) SNOW FOX

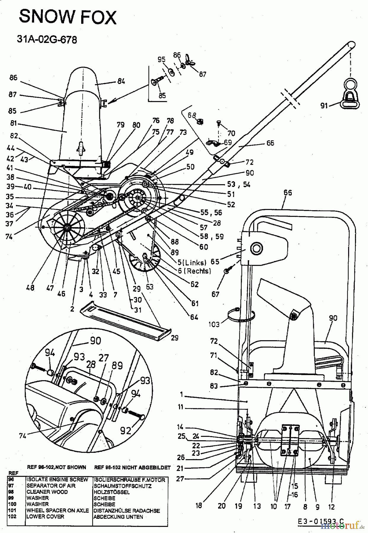
Hier finden Sie die Ersatzteilzeichnung für MTD Schneefräsen SNOW FOX 31A-02G-678 (2003) Grundgerät. Wählen Sie das benötigte Ersatzteil aus der Ersatzteilliste Ihres MTD Gerätes aus und bestellen Sie einfach online. Viele MTD Ersatzteile halten wir ständig in unserem Lager für Sie bereit.


Qualitätsmanagement
Informieren Sie uns, wenn Sie einen Fehler gefunden haben.






