MTD E 660 G 31AV6RHG678 (2007) Fahrantrieb, Fräsantrieb ab 12.06.2006 Ersatzteile
Fahrantrieb, Fräsantrieb ab 12.06.2006 31AV6RHG678 (2007)

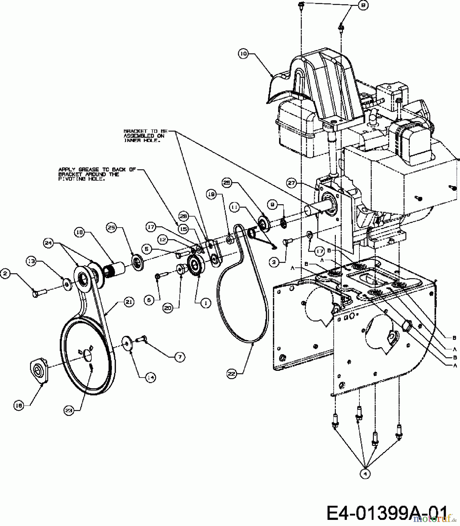
Hier finden Sie die Ersatzteilzeichnung für MTD Schneefräsen E 660 G 31AV6RHG678 (2007) Fahrantrieb, Fräsantrieb ab 12.06.2006. Wählen Sie das benötigte Ersatzteil aus der Ersatzteilliste Ihres MTD Gerätes aus und bestellen Sie einfach online. Viele MTD Ersatzteile halten wir ständig in unserem Lager für Sie bereit.


Qualitätsmanagement
 Informieren Sie uns, wenn Sie einen Fehler gefunden haben.











