MTD E 660 G 31BT660G678 (2003) Fahrantrieb Ersatzteile
Fahrantrieb 31BT660G678 (2003)

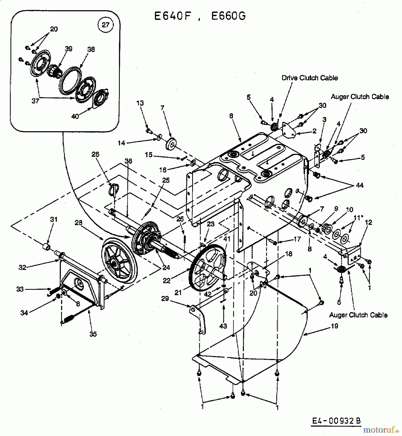
Hier finden Sie die Ersatzteilzeichnung für MTD Schneefräsen E 660 G 31BT660G678 (2003) Fahrantrieb. Wählen Sie das benötigte Ersatzteil aus der Ersatzteilliste Ihres MTD Gerätes aus und bestellen Sie einfach online. Viele MTD Ersatzteile halten wir ständig in unserem Lager für Sie bereit.
Häufig benötigte MTD E 660 G 31BT660G678 (2003) Fahrantrieb Ersatzteile

Artikelnummer: 735-0243B
Suche nach: 735-0243B
Hersteller: MTD
MTD Ersatzteil Fahrantrieb
Suche nach: 735-0243B
Hersteller: MTD
MTD Ersatzteil Fahrantrieb
28.08 €
für EU incl. MwSt., zzgl. Versand


Qualitätsmanagement
Informieren Sie uns, wenn Sie einen Fehler gefunden haben.
















