MTD 641 E 31A-641E678 (2000) Fahrantrieb Ersatzteile
Fahrantrieb 31A-641E678 (2000)

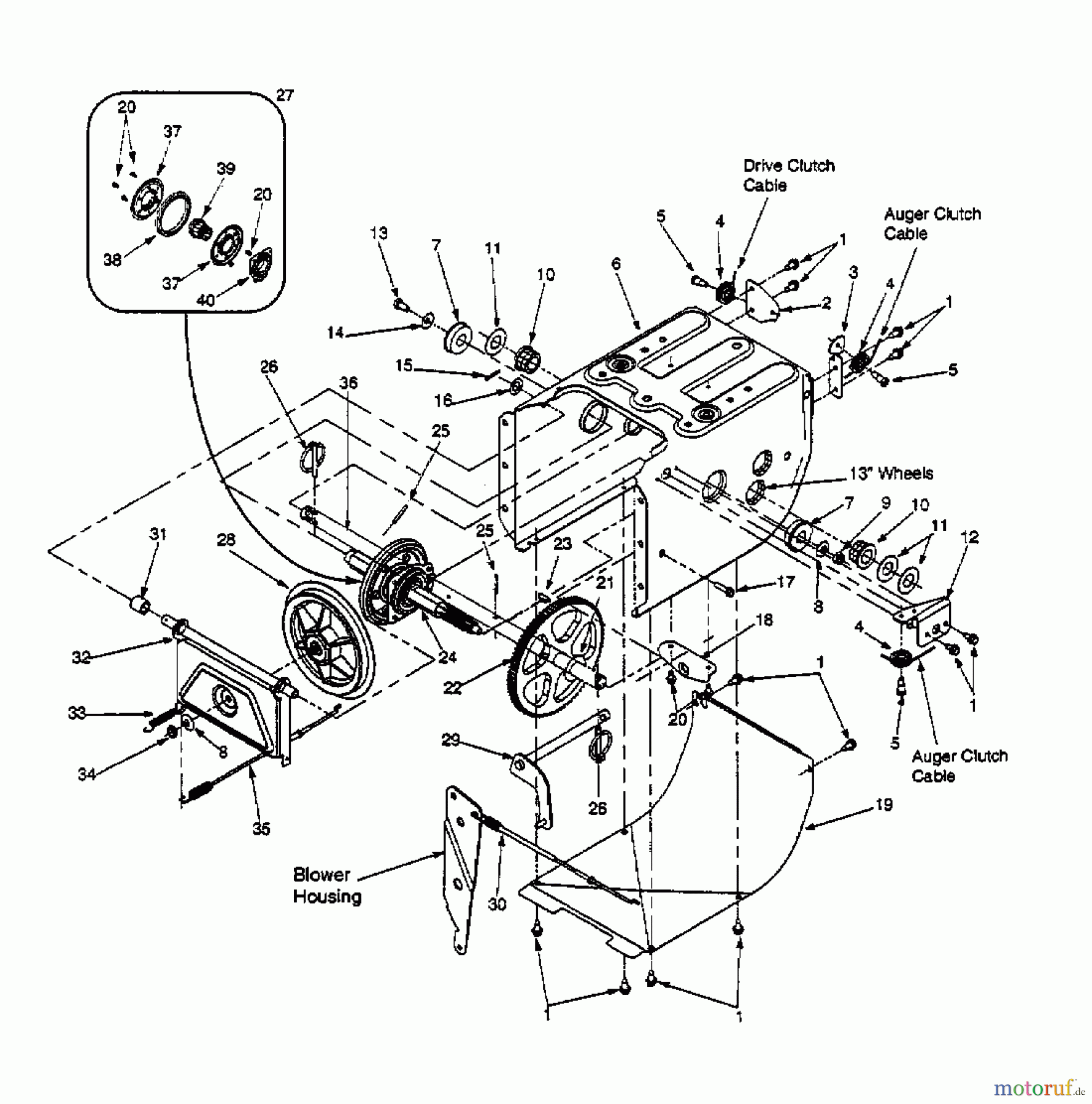
Hier finden Sie die Ersatzteilzeichnung für MTD Schneefräsen 641 E 31A-641E678 (2000) Fahrantrieb. Wählen Sie das benötigte Ersatzteil aus der Ersatzteilliste Ihres MTD Gerätes aus und bestellen Sie einfach online. Viele MTD Ersatzteile halten wir ständig in unserem Lager für Sie bereit.
Häufig benötigte MTD 641 E 31A-641E678 (2000) Fahrantrieb Ersatzteile

Artikelnummer: 741-0598
Suche nach: 741-0598
Hersteller: MTD
MTD Ersatzteil Fahrantrieb
Suche nach: 741-0598
Hersteller: MTD
MTD Ersatzteil Fahrantrieb
11.44 €
für EU incl. MwSt., zzgl. Versand


Qualitätsmanagement
Informieren Sie uns, wenn Sie einen Fehler gefunden haben.















