MTD 611 D 31A-611D678 (2002) Fahrantrieb Ersatzteile
Fahrantrieb 31A-611D678 (2002)

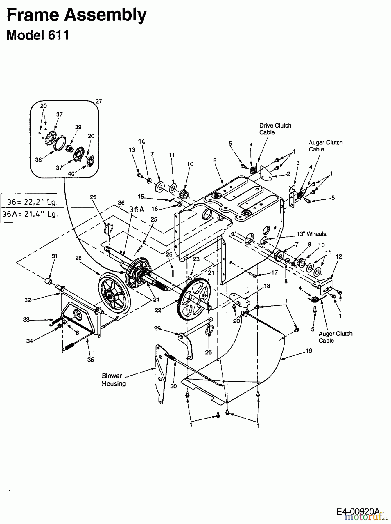
Hier finden Sie die Ersatzteilzeichnung für MTD Schneefräsen 611 D 31A-611D678 (2002) Fahrantrieb. Wählen Sie das benötigte Ersatzteil aus der Ersatzteilliste Ihres MTD Gerätes aus und bestellen Sie einfach online. Viele MTD Ersatzteile halten wir ständig in unserem Lager für Sie bereit.


Qualitätsmanagement
Informieren Sie uns, wenn Sie einen Fehler gefunden haben.















