MTD 140 31A-240-678 (2005) Ersatzteile
31A-240-678 (2005) 140

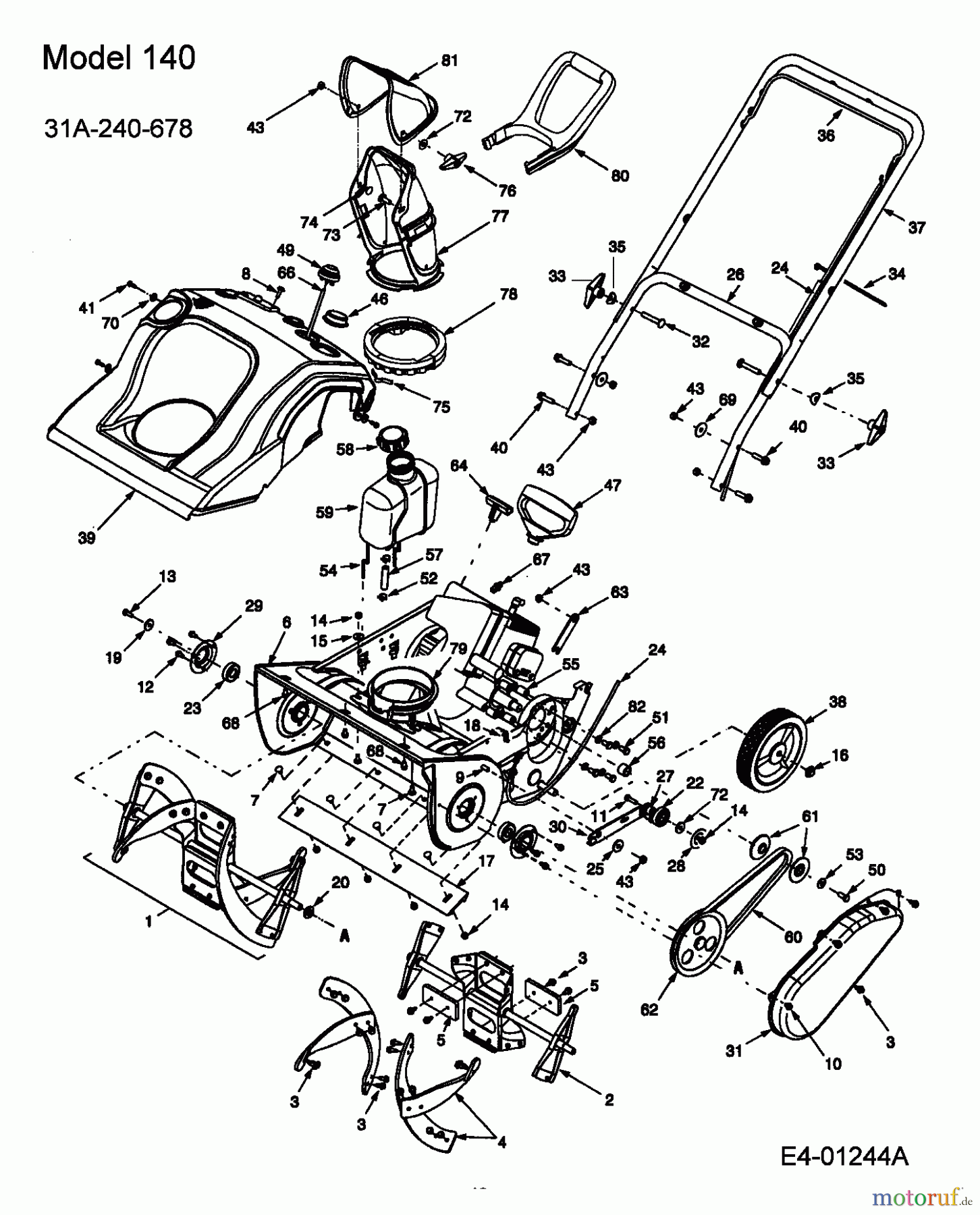
Hier finden Sie die Ersatzteilzeichnung für MTD Schneefräsen 140 31A-240-678 (2005) Grundgerät. Wählen Sie das benötigte Ersatzteil aus der Ersatzteilliste Ihres MTD Gerätes aus und bestellen Sie einfach online. Viele MTD Ersatzteile halten wir ständig in unserem Lager für Sie bereit.



























