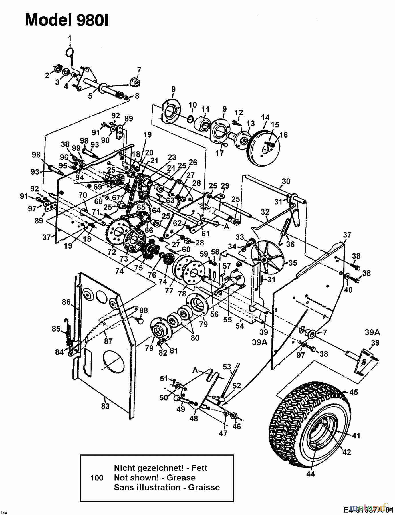
MTD 12-33 317E980I000 (1997) Fahrantrieb, Räder Ersatzteile
Fahrantrieb, Räder 317E980I000 (1997)

Hier finden Sie die Ersatzteilzeichnung für MTD Schneefräsen 12-33 317E980I000 (1997) Fahrantrieb, Räder. Wählen Sie das benötigte Ersatzteil aus der Ersatzteilliste Ihres MTD Gerätes aus und bestellen Sie einfach online. Viele MTD Ersatzteile halten wir ständig in unserem Lager für Sie bereit.
Häufig benötigte MTD 12-33 317E980I000 (1997) Fahrantrieb, Räder Ersatzteile


Qualitätsmanagement
Informieren Sie uns, wenn Sie einen Fehler gefunden haben.


























