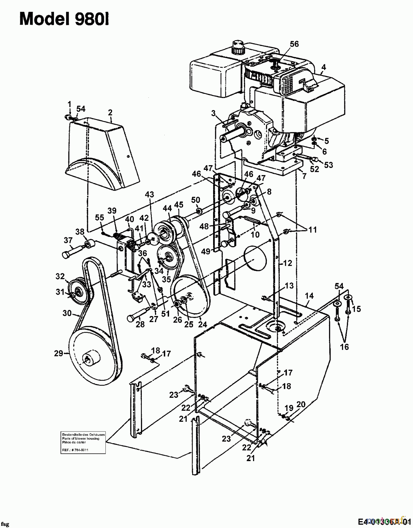
MTD 12-33 317E980I000 (1997) Fahrantrieb, Fräsantrieb Ersatzteile
Fahrantrieb, Fräsantrieb 317E980I000 (1997)

Hier finden Sie die Ersatzteilzeichnung für MTD Schneefräsen 12-33 317E980I000 (1997) Fahrantrieb, Fräsantrieb. Wählen Sie das benötigte Ersatzteil aus der Ersatzteilliste Ihres MTD Gerätes aus und bestellen Sie einfach online. Viele MTD Ersatzteile halten wir ständig in unserem Lager für Sie bereit.
Häufig benötigte MTD 12-33 317E980I000 (1997) Fahrantrieb, Fräsantrieb Ersatzteile

Artikelnummer: 754-0131
Suche nach: 754-0131
Hersteller: MTD
MTD Ersatzteil Fahrantrieb, Fräsantrieb
Suche nach: 754-0131
Hersteller: MTD
MTD Ersatzteil Fahrantrieb, Fräsantrieb
24.96 €
für EU incl. MwSt., zzgl. Versand


Qualitätsmanagement
Informieren Sie uns, wenn Sie einen Fehler gefunden haben.
















