MTD 700 41BD700G678 (2003) Motor Ersatzteile
Motor 41BD700G678 (2003)

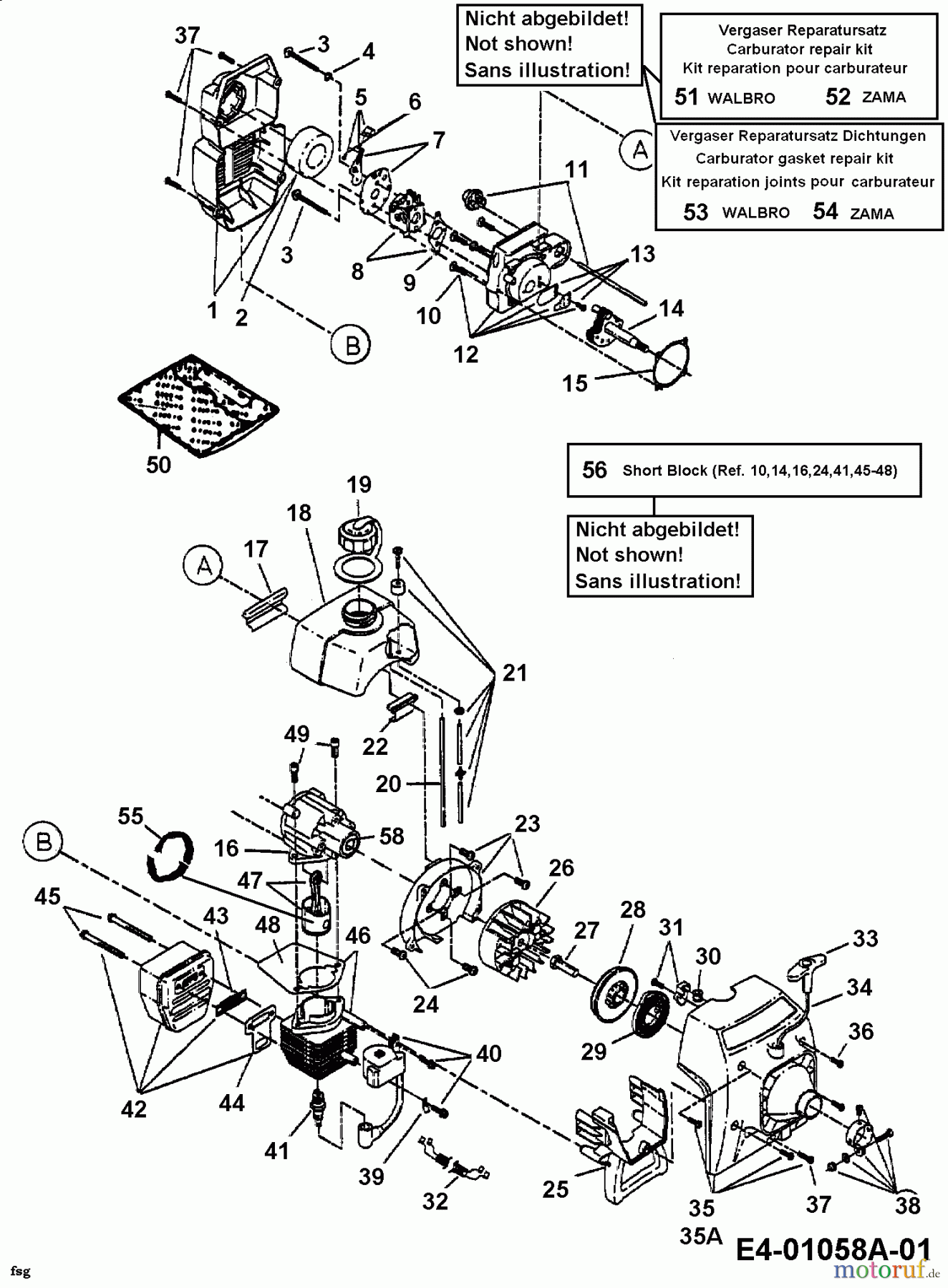
Hier finden Sie die Ersatzteilzeichnung für MTD Motorsensen 700 41BD700G678 (2003) Motor. Wählen Sie das benötigte Ersatzteil aus der Ersatzteilliste Ihres MTD Gerätes aus und bestellen Sie einfach online. Viele MTD Ersatzteile halten wir ständig in unserem Lager für Sie bereit.
Häufig benötigte MTD 700 41BD700G678 (2003) Motor Ersatzteile

Artikelnummer: 791-682039
Suche nach: 791-682039
Hersteller: MTD
MTD Ersatzteil Motor
Suche nach: 791-682039
Hersteller: MTD
MTD Ersatzteil Motor
20.90 €
für EU incl. MwSt., zzgl. Versand







