MTD WCM 84 12A-764T678 (2008) Fahrantrieb bis 28.11.2007 Ersatzteile
Fahrantrieb bis 28.11.2007 12A-764T678 (2008)

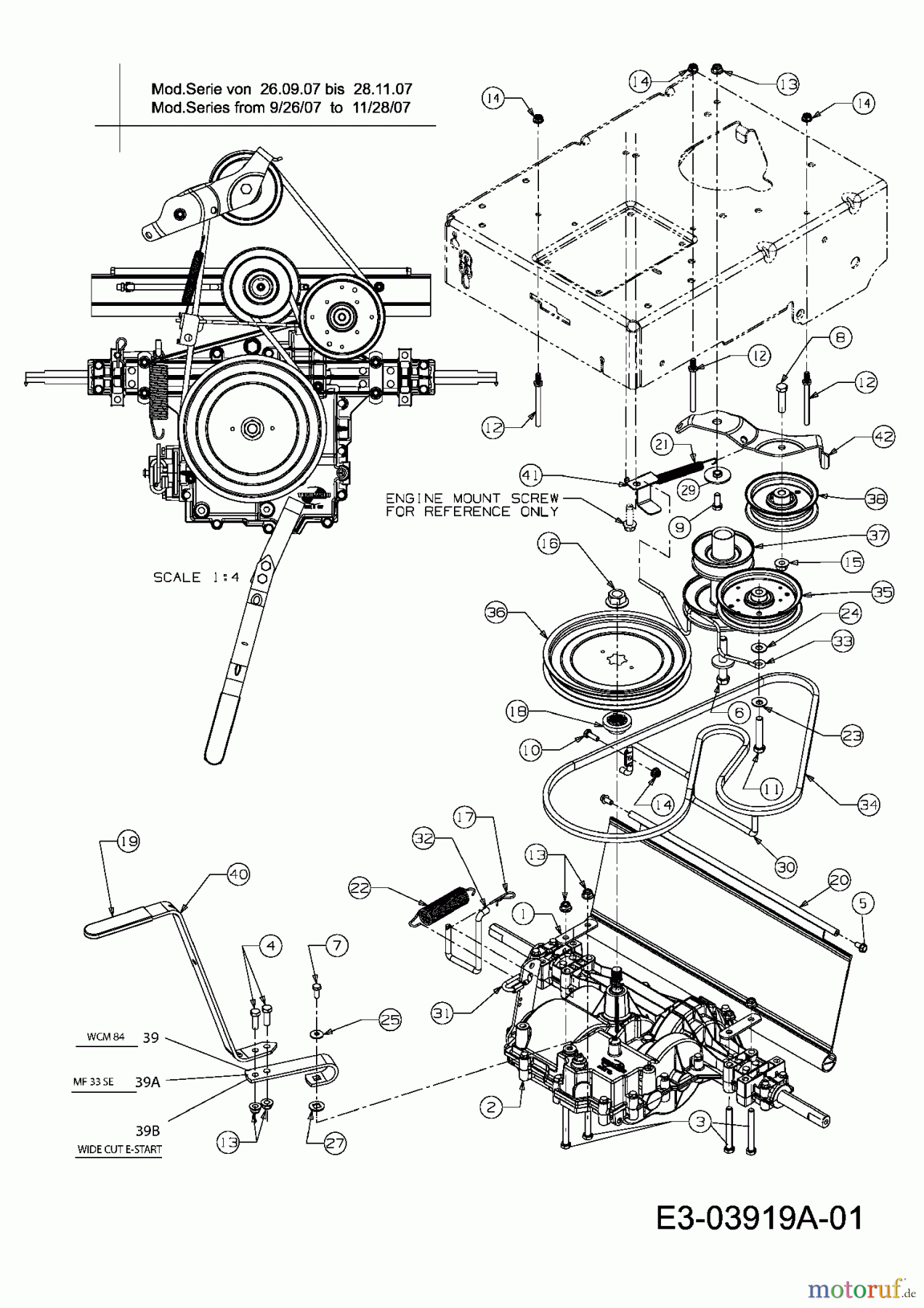
Hier finden Sie die Ersatzteilzeichnung für MTD Motormäher mit Antrieb WCM 84 12A-764T678 (2008) Fahrantrieb bis 28.11.2007. Wählen Sie das benötigte Ersatzteil aus der Ersatzteilliste Ihres MTD Gerätes aus und bestellen Sie einfach online. Viele MTD Ersatzteile halten wir ständig in unserem Lager für Sie bereit.


Qualitätsmanagement
 Informieren Sie uns, wenn Sie einen Fehler gefunden haben.
















