MTD SUPER 53 S 121-478R (1991) Ersatzteile
121-478R (1991) SUPER 53 S

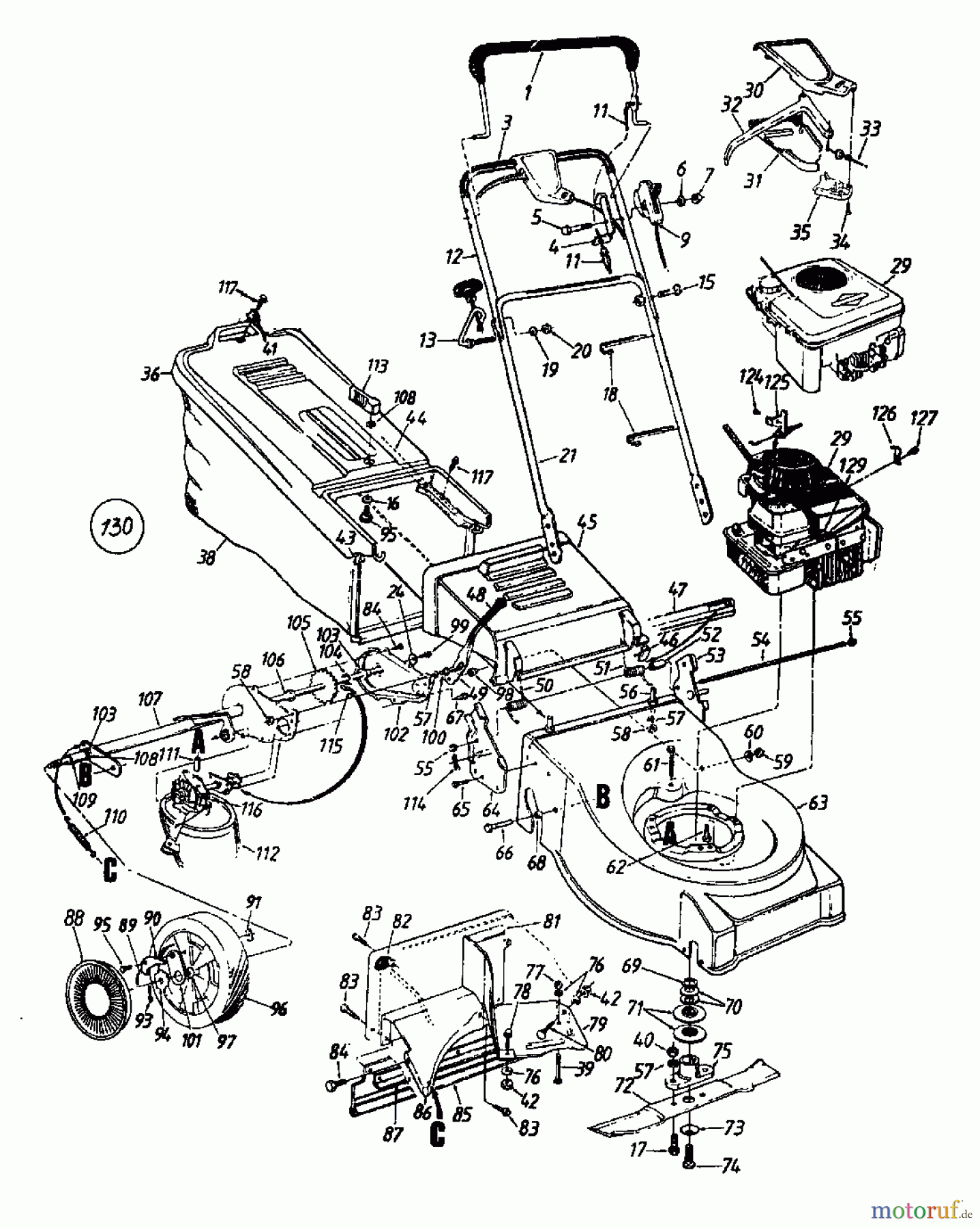
Hier finden Sie die Ersatzteilzeichnung für MTD Motormäher mit Antrieb SUPER 53 S 121-478R (1991) Grundgerät. Wählen Sie das benötigte Ersatzteil aus der Ersatzteilliste Ihres MTD Gerätes aus und bestellen Sie einfach online. Viele MTD Ersatzteile halten wir ständig in unserem Lager für Sie bereit.



























