MTD SPK 53 12AI837D678 (2009) Abdeckung hinten, Leitblech vorne Seriennr. …K… Ersatzteile
Abdeckung hinten, Leitblech vorne Seriennr. …K… 12AI837D678 (2009)

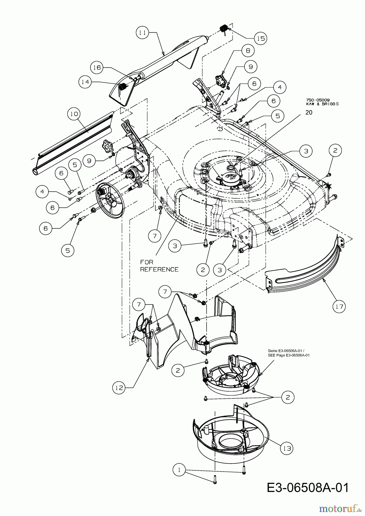
Hier finden Sie die Ersatzteilzeichnung für MTD Motormäher mit Antrieb SPK 53 12AI837D678 (2009) Abdeckung hinten, Leitblech vorne Seriennr. …K…. Wählen Sie das benötigte Ersatzteil aus der Ersatzteilliste Ihres MTD Gerätes aus und bestellen Sie einfach online. Viele MTD Ersatzteile halten wir ständig in unserem Lager für Sie bereit.


Qualitätsmanagement
Informieren Sie uns, wenn Sie einen Fehler gefunden haben.








