MTD SPE 46 GXL 12AEX78K678 (2002) Ersatzteile
12AEX78K678 (2002) SPE 46 GXL

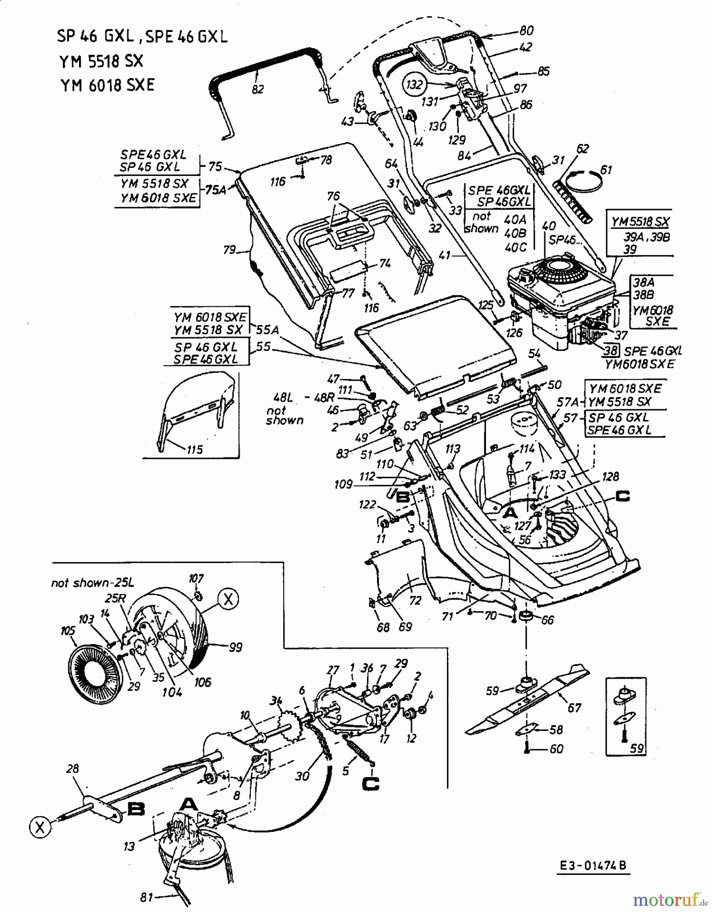
Hier finden Sie die Ersatzteilzeichnung für MTD Motormäher mit Antrieb SPE 46 GXL 12AEX78K678 (2002) Grundgerät. Wählen Sie das benötigte Ersatzteil aus der Ersatzteilliste Ihres MTD Gerätes aus und bestellen Sie einfach online. Viele MTD Ersatzteile halten wir ständig in unserem Lager für Sie bereit.


Qualitätsmanagement
Informieren Sie uns, wenn Sie einen Fehler gefunden haben.





























