MTD REX-COMBI 51 SSL 125-3580 (1985) Ersatzteile
125-3580 (1985) REX-COMBI 51 SSL

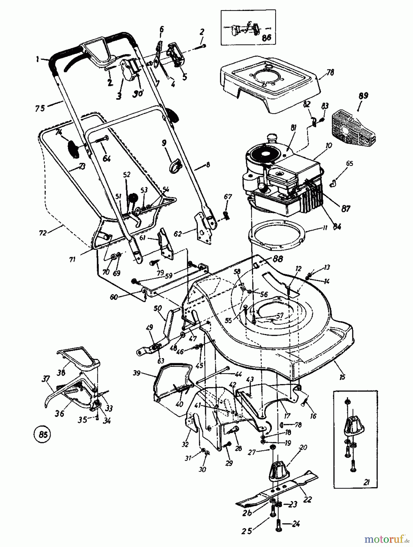
Hier finden Sie die Ersatzteilzeichnung für MTD Motormäher mit Antrieb REX-COMBI 51 SSL 125-3580 (1985) Grundgerät. Wählen Sie das benötigte Ersatzteil aus der Ersatzteilliste Ihres MTD Gerätes aus und bestellen Sie einfach online. Viele MTD Ersatzteile halten wir ständig in unserem Lager für Sie bereit.


Qualitätsmanagement
Informieren Sie uns, wenn Sie einen Fehler gefunden haben.
















