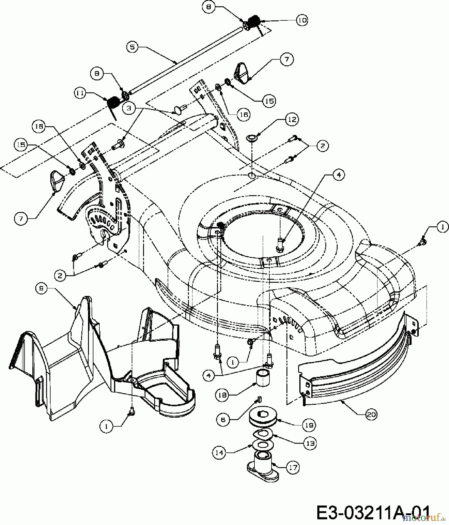
MTD PLATINUM 46 SP 12C-J2AQ686 (2007) Leitblech vorne, Leitstück hinten, Messeraufnahme Ersatzteile
Leitblech vorne, Leitstück hinten, Messeraufnahme 12C-J2AQ686 (2007)

Hier finden Sie die Ersatzteilzeichnung für MTD Motormäher mit Antrieb PLATINUM 46 SP 12C-J2AQ686 (2007) Leitblech vorne, Leitstück hinten, Messeraufnahme. Wählen Sie das benötigte Ersatzteil aus der Ersatzteilliste Ihres MTD Gerätes aus und bestellen Sie einfach online. Viele MTD Ersatzteile halten wir ständig in unserem Lager für Sie bereit.


Qualitätsmanagement
Informieren Sie uns, wenn Sie einen Fehler gefunden haben.









