MTD GES 46 XE 124E648E678 (1994) Ersatzteile
124E648E678 (1994) GES 46 XE

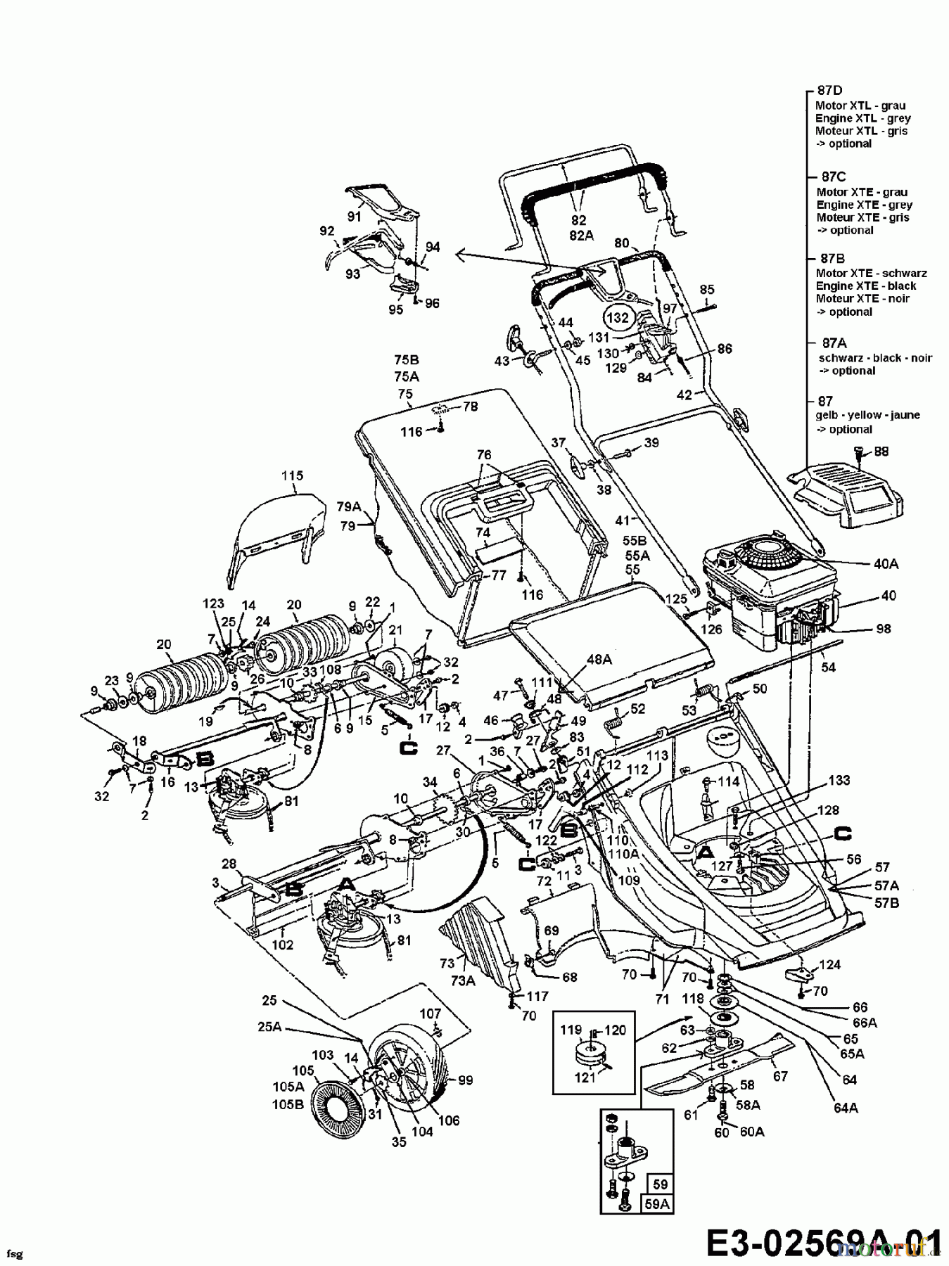
Hier finden Sie die Ersatzteilzeichnung für MTD Motormäher mit Antrieb GES 46 XE 124E648E678 (1994) Grundgerät. Wählen Sie das benötigte Ersatzteil aus der Ersatzteilliste Ihres MTD Gerätes aus und bestellen Sie einfach online. Viele MTD Ersatzteile halten wir ständig in unserem Lager für Sie bereit.



































