MTD GES 45 12C-T34Z678 (2001) Ersatzteile
12C-T34Z678 (2001) GES 45

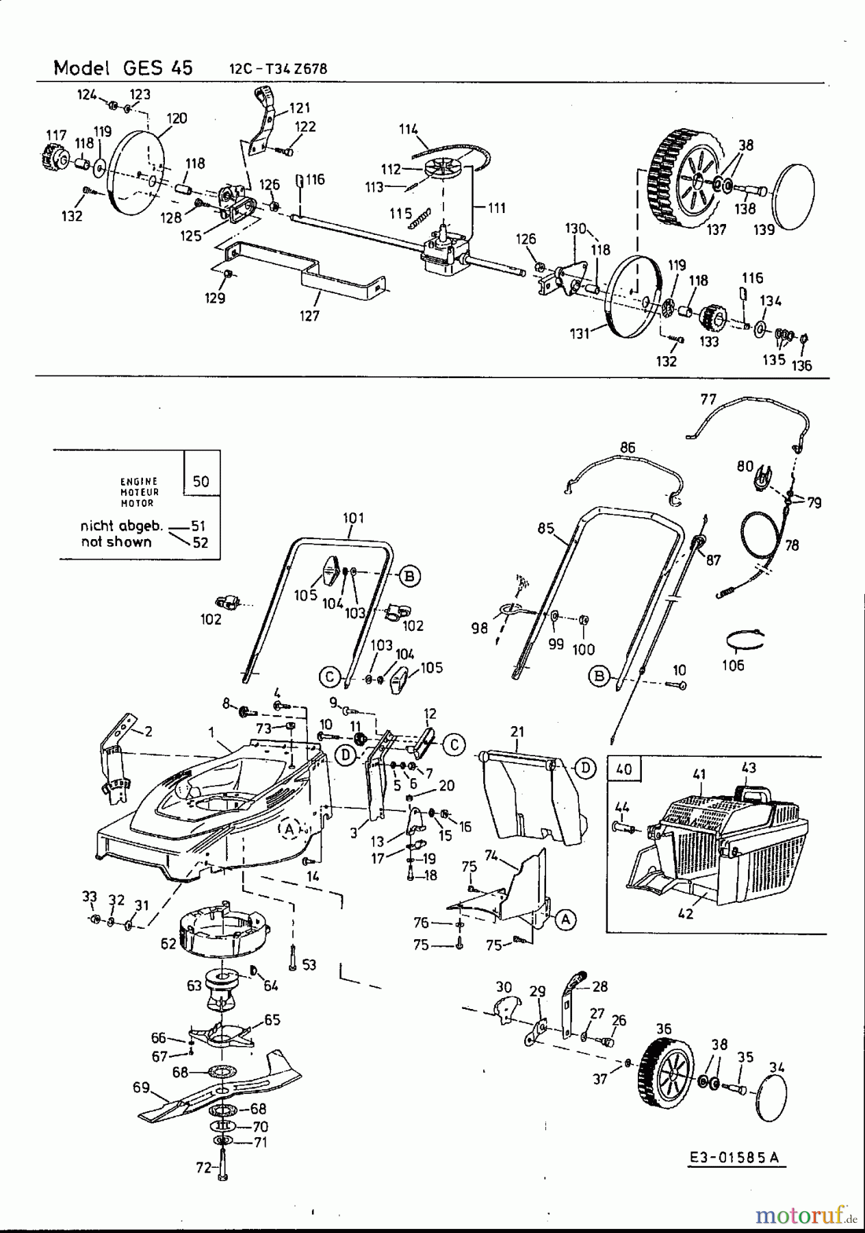
Hier finden Sie die Ersatzteilzeichnung für MTD Motormäher mit Antrieb GES 45 12C-T34Z678 (2001) Grundgerät. Wählen Sie das benötigte Ersatzteil aus der Ersatzteilliste Ihres MTD Gerätes aus und bestellen Sie einfach online. Viele MTD Ersatzteile halten wir ständig in unserem Lager für Sie bereit.





















