MTD Euro-Star 46 SE 121-628E (1991) Ersatzteile
121-628E (1991) Euro-Star 46 SE

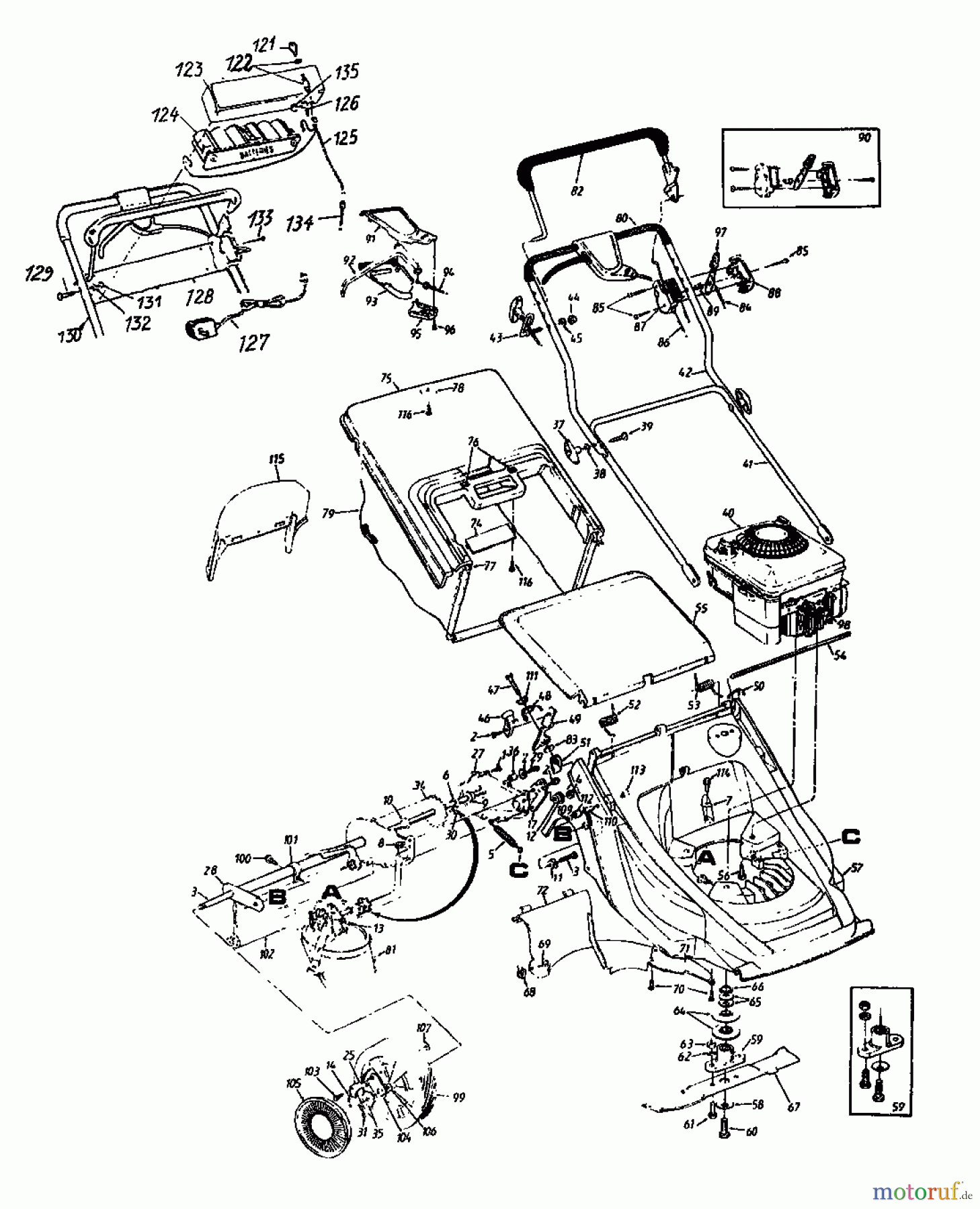
Hier finden Sie die Ersatzteilzeichnung für MTD Motormäher mit Antrieb Euro-Star 46 SE 121-628E (1991) Grundgerät. Wählen Sie das benötigte Ersatzteil aus der Ersatzteilliste Ihres MTD Gerätes aus und bestellen Sie einfach online. Viele MTD Ersatzteile halten wir ständig in unserem Lager für Sie bereit.
























