MTD 53 SPO 12C-84MF676 (2008) Getriebe bis 08.01.2008, Motor Ersatzteile
Getriebe bis 08.01.2008, Motor 12C-84MF676 (2008)

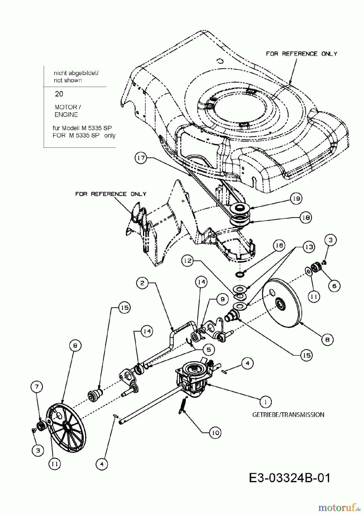
Hier finden Sie die Ersatzteilzeichnung für MTD Motormäher mit Antrieb 53 SPO 12C-84MF676 (2008) Getriebe bis 08.01.2008, Motor. Wählen Sie das benötigte Ersatzteil aus der Ersatzteilliste Ihres MTD Gerätes aus und bestellen Sie einfach online. Viele MTD Ersatzteile halten wir ständig in unserem Lager für Sie bereit.


Qualitätsmanagement
Informieren Sie uns, wenn Sie einen Fehler gefunden haben.




