MTD 46 SPS 12BSJ28I678 (2006) Getriebe, Messer, Motor, Mulchstopfen Ersatzteile
Getriebe, Messer, Motor, Mulchstopfen 12BSJ28I678 (2006)

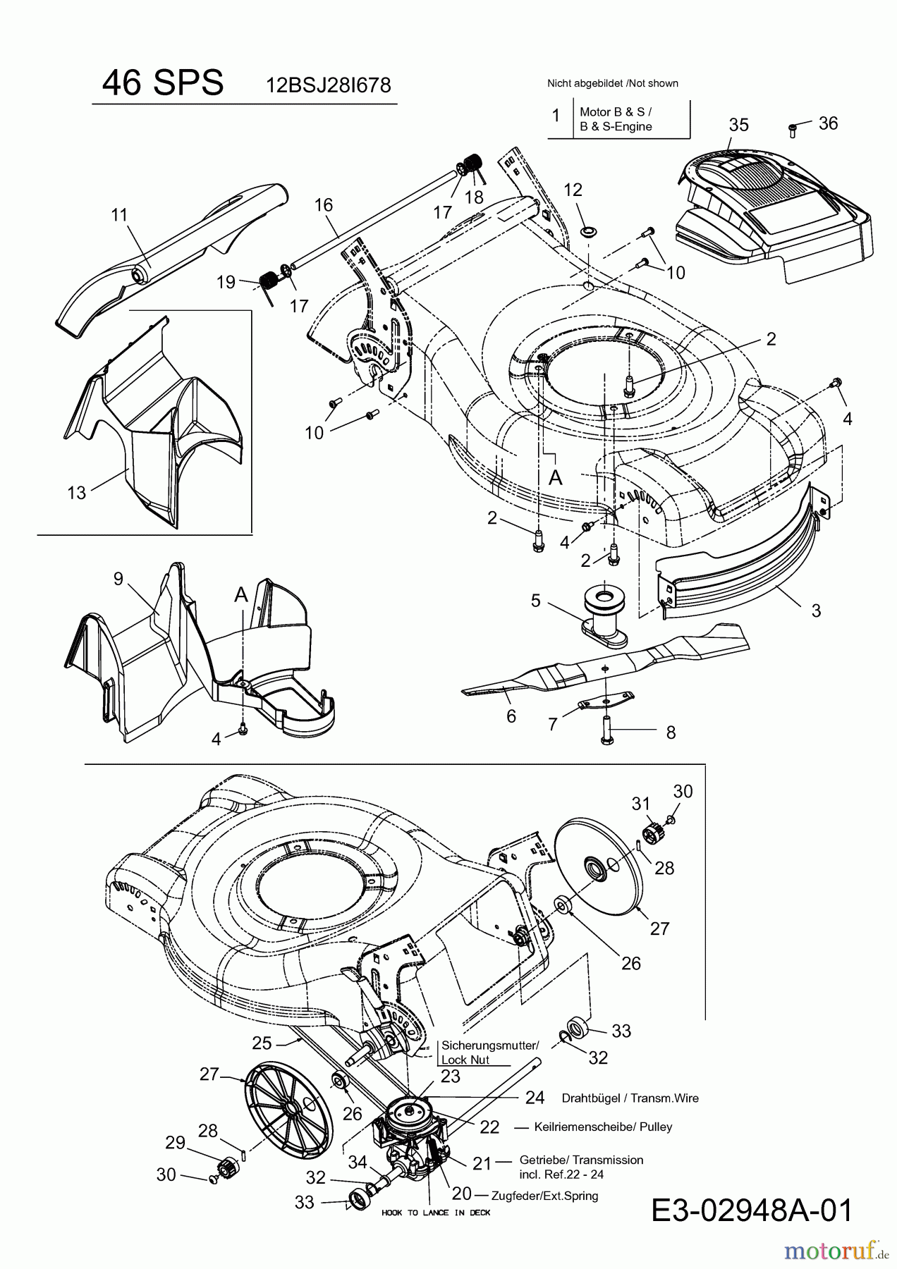
Hier finden Sie die Ersatzteilzeichnung für MTD Motormäher mit Antrieb 46 SPS 12BSJ28I678 (2006) Getriebe, Messer, Motor, Mulchstopfen. Wählen Sie das benötigte Ersatzteil aus der Ersatzteilliste Ihres MTD Gerätes aus und bestellen Sie einfach online. Viele MTD Ersatzteile halten wir ständig in unserem Lager für Sie bereit.


















