MTD 46 SP 12A-613A600 (2002) Ersatzteile
12A-613A600 (2002) 46 SP

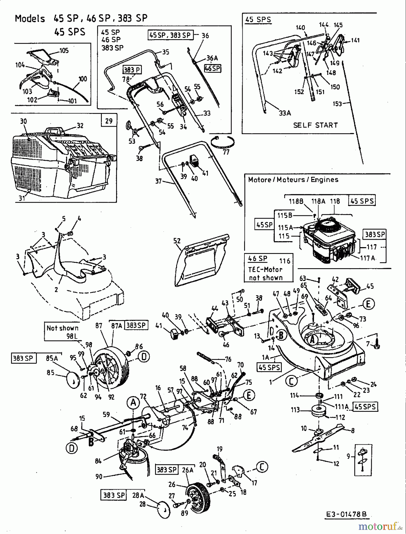
Hier finden Sie die Ersatzteilzeichnung für MTD Motormäher mit Antrieb 46 SP 12A-613A600 (2002) Grundgerät. Wählen Sie das benötigte Ersatzteil aus der Ersatzteilliste Ihres MTD Gerätes aus und bestellen Sie einfach online. Viele MTD Ersatzteile halten wir ständig in unserem Lager für Sie bereit.




































