MTD 46 SHMX 12AMJ5BQ676 (2008) Ersatzteile
12AMJ5BQ676 (2008) 46 SHMX

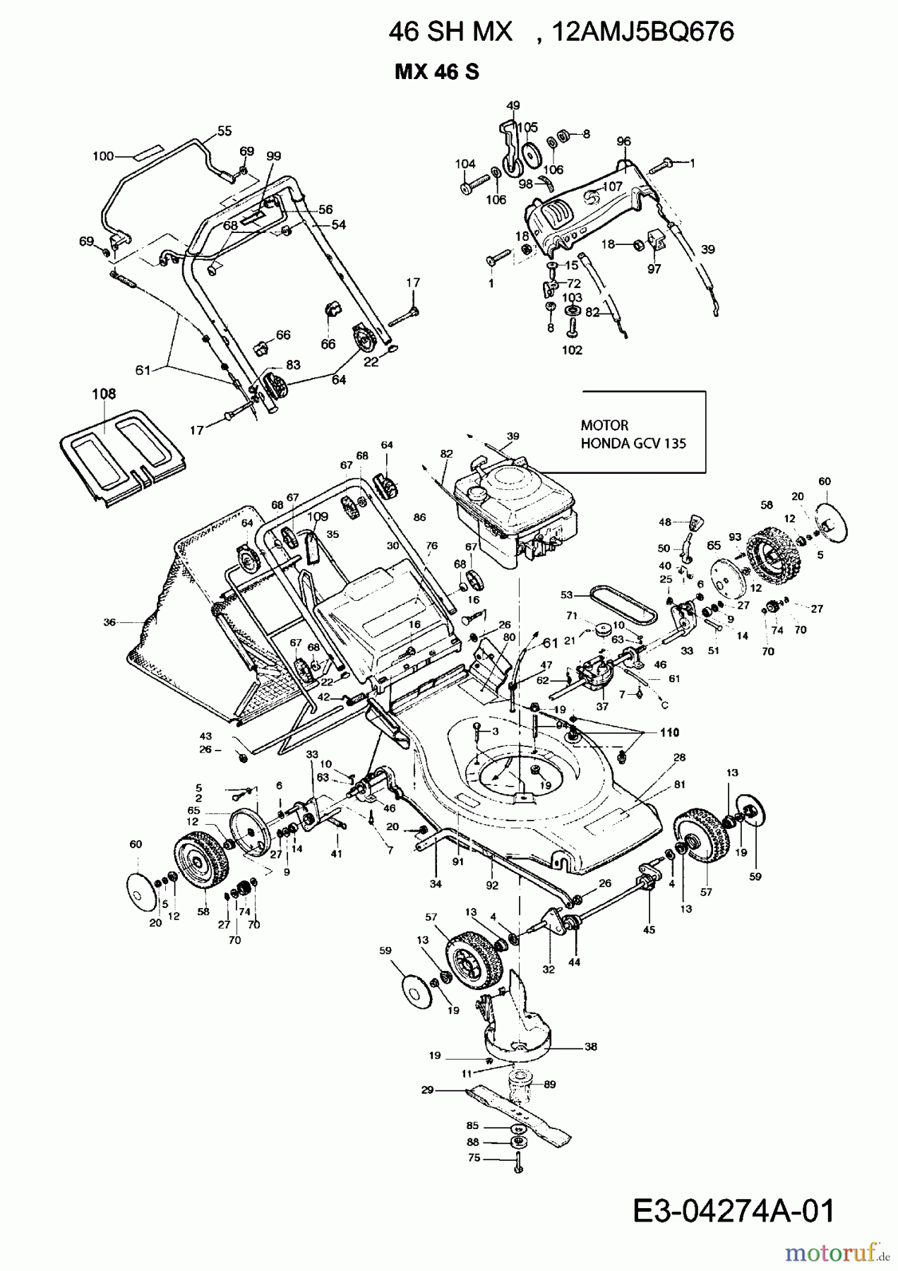
Hier finden Sie die Ersatzteilzeichnung für MTD Motormäher mit Antrieb 46 SHMX 12AMJ5BQ676 (2008) Grundgerät. Wählen Sie das benötigte Ersatzteil aus der Ersatzteilliste Ihres MTD Gerätes aus und bestellen Sie einfach online. Viele MTD Ersatzteile halten wir ständig in unserem Lager für Sie bereit.


Qualitätsmanagement
Informieren Sie uns, wenn Sie einen Fehler gefunden haben.



















