MTD Advance PE 160 HK 13RG71KE676 (2013) Motorzubehör Ersatzteile
Motorzubehör 13RG71KE676 (2013)

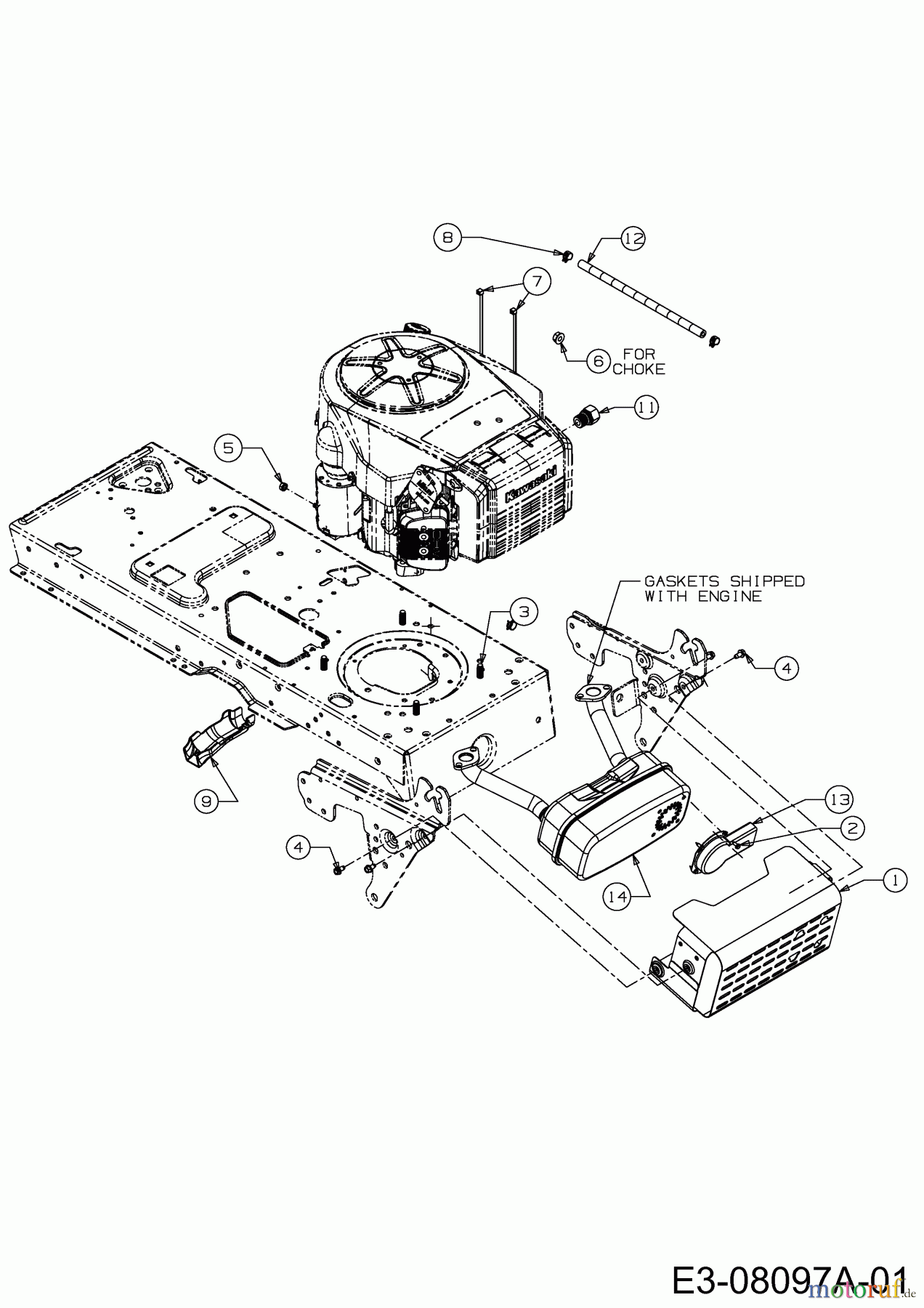
Hier finden Sie die Ersatzteilzeichnung für MTD Rasentraktoren Advance PE 160 HK 13RG71KE676 (2013) Motorzubehör. Wählen Sie das benötigte Ersatzteil aus der Ersatzteilliste Ihres MTD Gerätes aus und bestellen Sie einfach online. Viele MTD Ersatzteile halten wir ständig in unserem Lager für Sie bereit.


Qualitätsmanagement
Informieren Sie uns, wenn Sie einen Fehler gefunden haben.






