MTD 14 P-96 SD 13C2765F635 (2012) Motorzubehör Ersatzteile
Motorzubehör 13C2765F635 (2012)

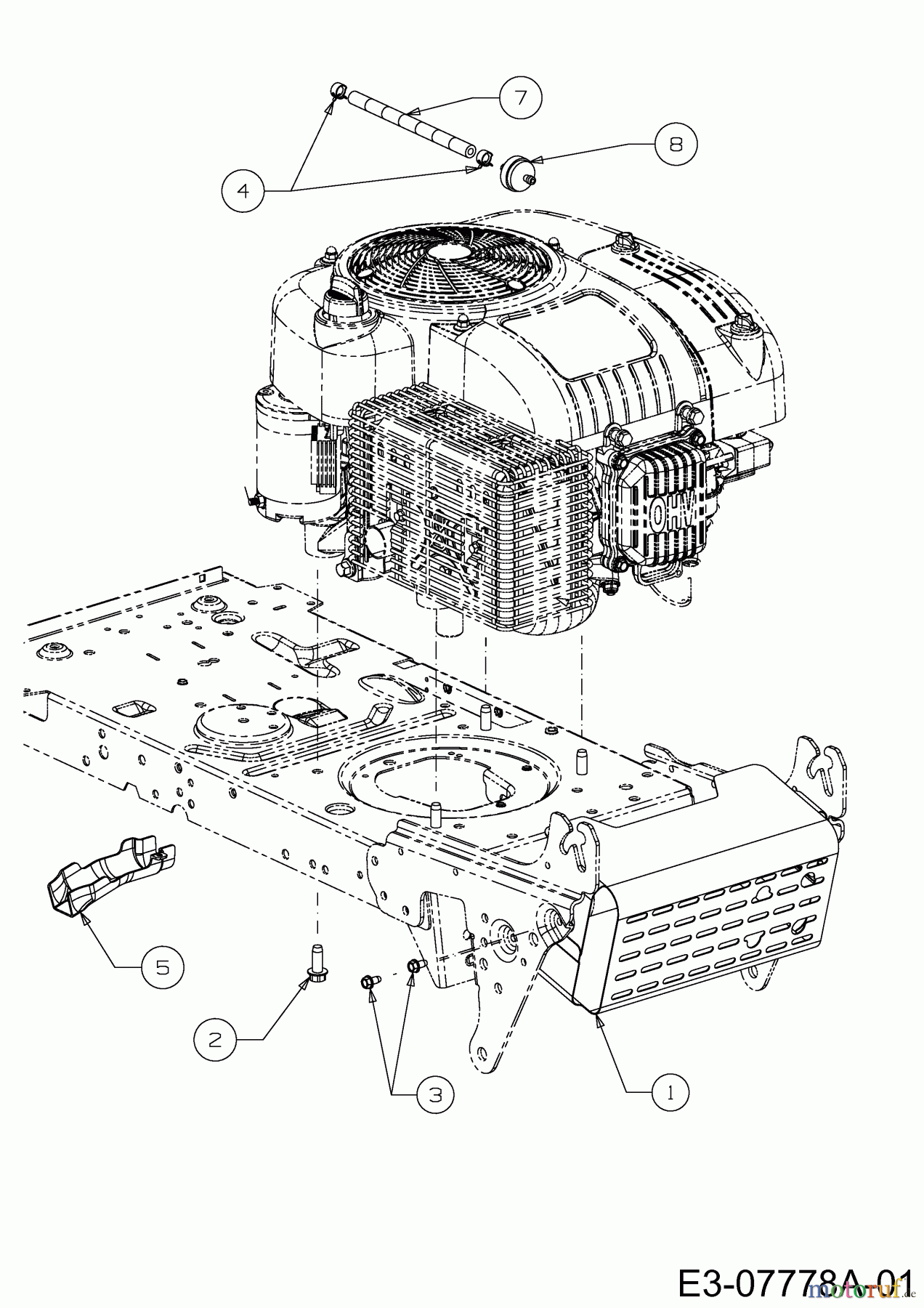
Hier finden Sie die Ersatzteilzeichnung für MTD Rasentraktoren 14 P-96 SD 13C2765F635 (2012) Motorzubehör. Wählen Sie das benötigte Ersatzteil aus der Ersatzteilliste Ihres MTD Gerätes aus und bestellen Sie einfach online. Viele MTD Ersatzteile halten wir ständig in unserem Lager für Sie bereit.






