MTD LG 155 13TM773G600 (2012) Geschwindigkeitsregelung Ersatzteile
Geschwindigkeitsregelung 13TM773G600 (2012)

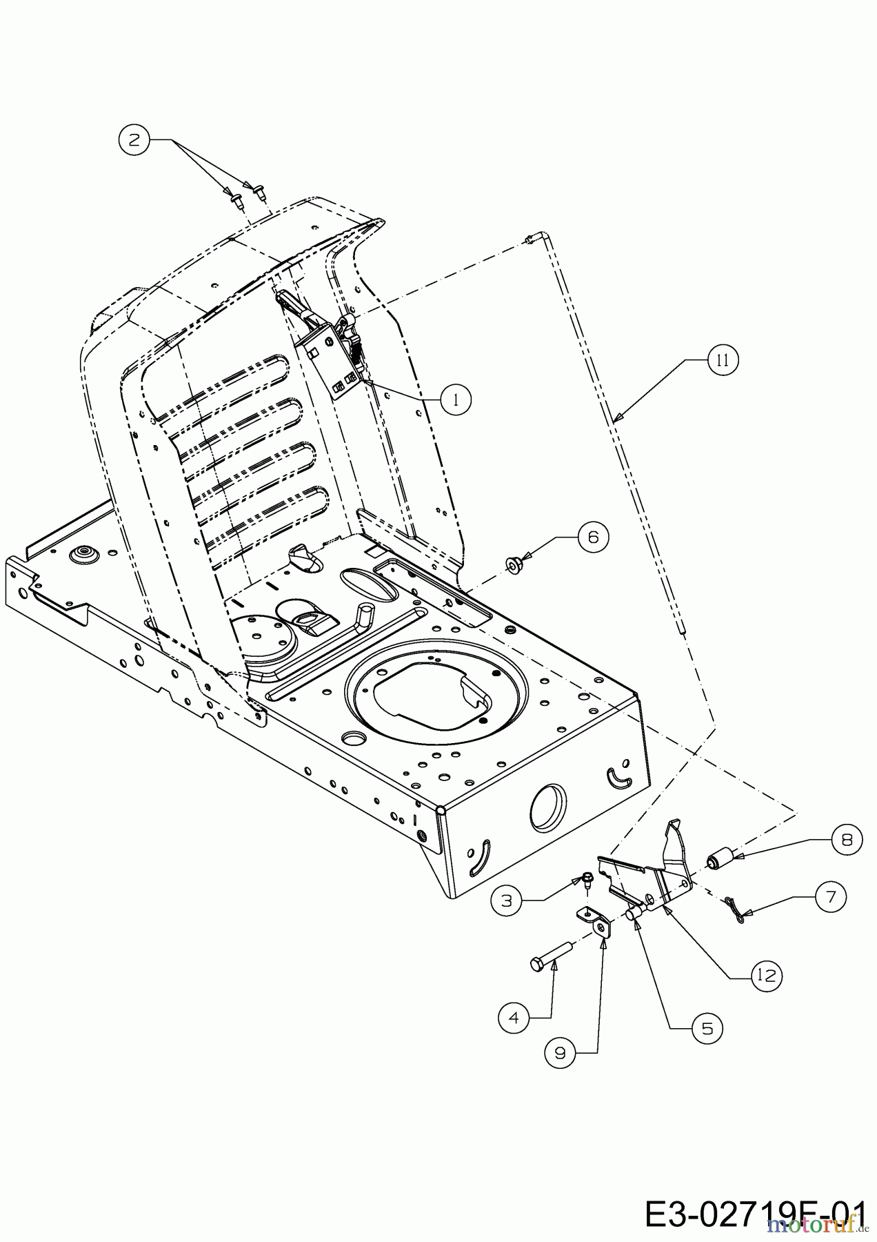
Hier finden Sie die Ersatzteilzeichnung für MTD Rasentraktoren LG 155 13TM773G600 (2012) Geschwindigkeitsregelung. Wählen Sie das benötigte Ersatzteil aus der Ersatzteilliste Ihres MTD Gerätes aus und bestellen Sie einfach online. Viele MTD Ersatzteile halten wir ständig in unserem Lager für Sie bereit.


Qualitätsmanagement
Informieren Sie uns, wenn Sie einen Fehler gefunden haben.





