MTD SE 155 H 13AP518E678 (2002) Armaturenbrett Ersatzteile
Armaturenbrett 13AP518E678 (2002)

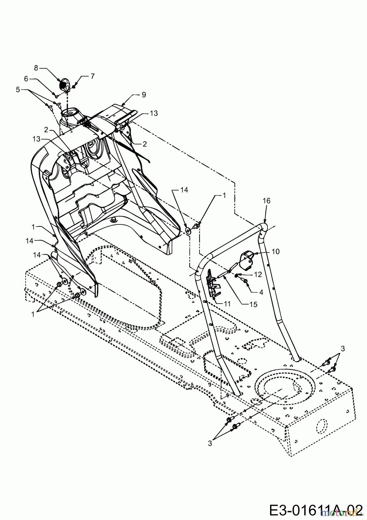
Hier finden Sie die Ersatzteilzeichnung für MTD Rasentraktoren SE 155 H 13AP518E678 (2002) Armaturenbrett. Wählen Sie das benötigte Ersatzteil aus der Ersatzteilliste Ihres MTD Gerätes aus und bestellen Sie einfach online. Viele MTD Ersatzteile halten wir ständig in unserem Lager für Sie bereit.


Qualitätsmanagement
Informieren Sie uns, wenn Sie einen Fehler gefunden haben.







