MTD Pinto E-Start 13B4065-678 (2007) Rahmen, Vorderachse Ersatzteile
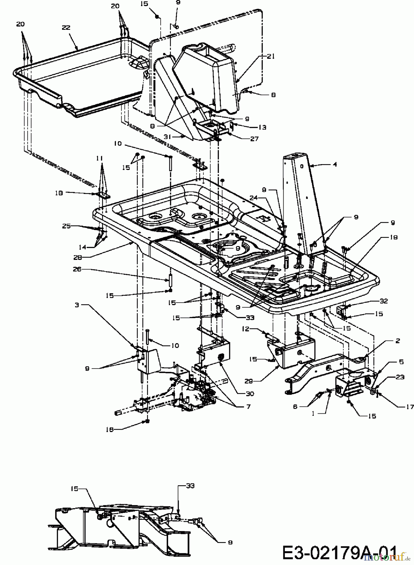
Rahmen, Vorderachse 13B4065-678 (2007)

Hier finden Sie die Ersatzteilzeichnung für MTD Rasentraktoren Pinto E-Start 13B4065-678 (2007) Rahmen, Vorderachse. Wählen Sie das benötigte Ersatzteil aus der Ersatzteilliste Ihres MTD Gerätes aus und bestellen Sie einfach online. Viele MTD Ersatzteile halten wir ständig in unserem Lager für Sie bereit.


Qualitätsmanagement
Informieren Sie uns, wenn Sie einen Fehler gefunden haben.






