MTD Hydro-Super 14-107 131-739G (1991) Mähwerksaushebung Ersatzteile
Mähwerksaushebung 131-739G (1991)

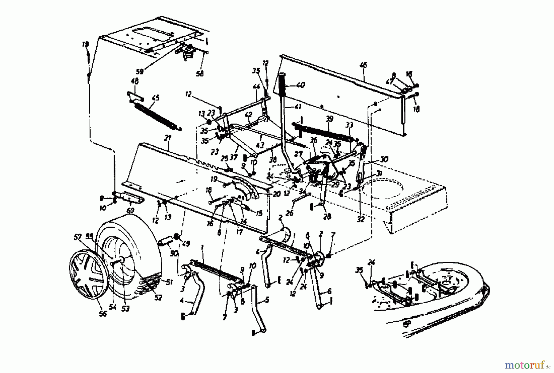
Hier finden Sie die Ersatzteilzeichnung für MTD Rasentraktoren Hydro-Super 14-107 131-739G (1991) Mähwerksaushebung. Wählen Sie das benötigte Ersatzteil aus der Ersatzteilliste Ihres MTD Gerätes aus und bestellen Sie einfach online. Viele MTD Ersatzteile halten wir ständig in unserem Lager für Sie bereit.


Qualitätsmanagement
Informieren Sie uns, wenn Sie einen Fehler gefunden haben.













