MTD H 130 136N695F678 (1996) Armaturenbrett, Motorhaube, Sitzwanne Ersatzteile
Armaturenbrett, Motorhaube, Sitzwanne 136N695F678 (1996)

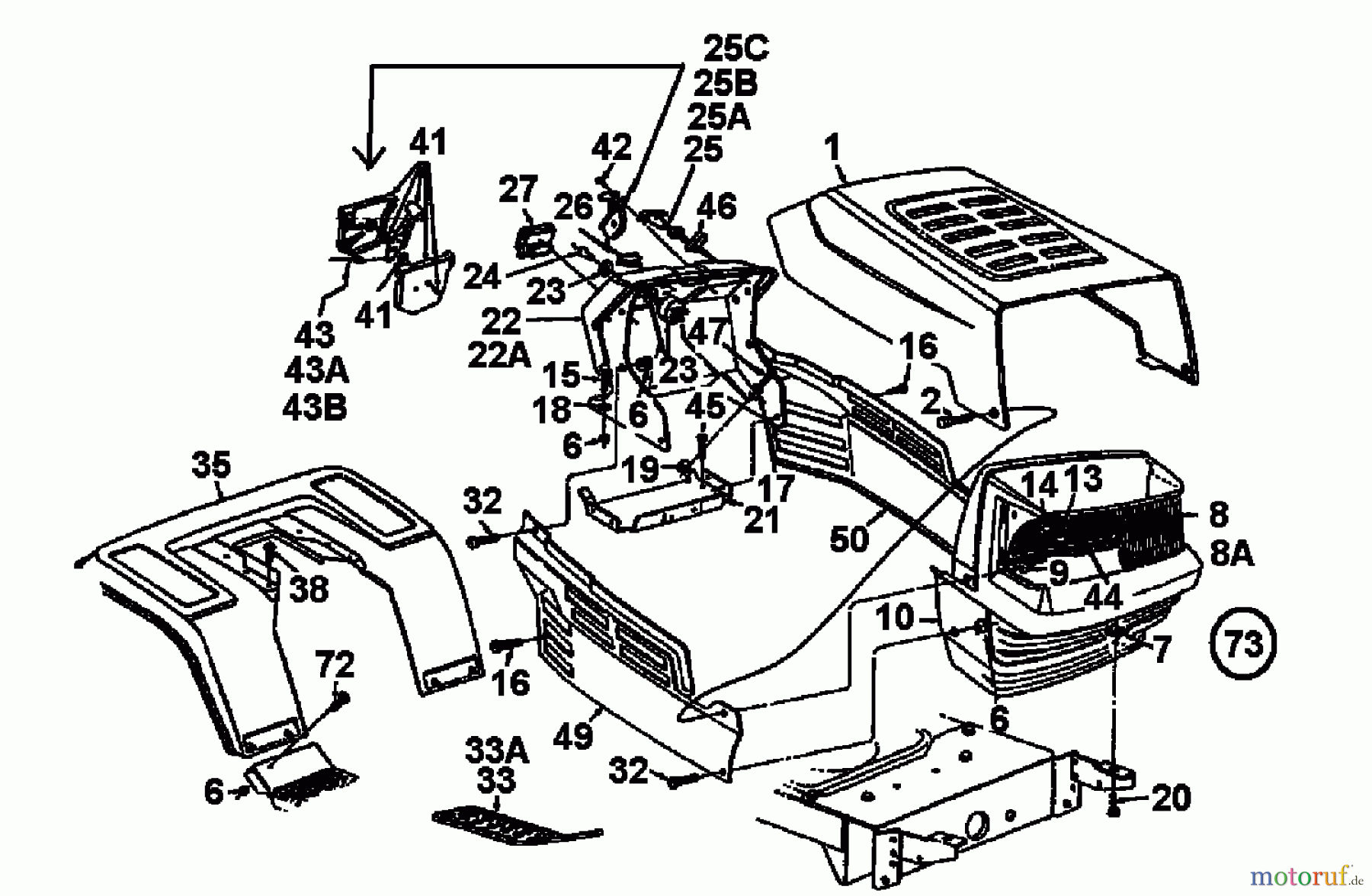
Hier finden Sie die Ersatzteilzeichnung für MTD Rasentraktoren H 130 136N695F678 (1996) Armaturenbrett, Motorhaube, Sitzwanne. Wählen Sie das benötigte Ersatzteil aus der Ersatzteilliste Ihres MTD Gerätes aus und bestellen Sie einfach online. Viele MTD Ersatzteile halten wir ständig in unserem Lager für Sie bereit.






















