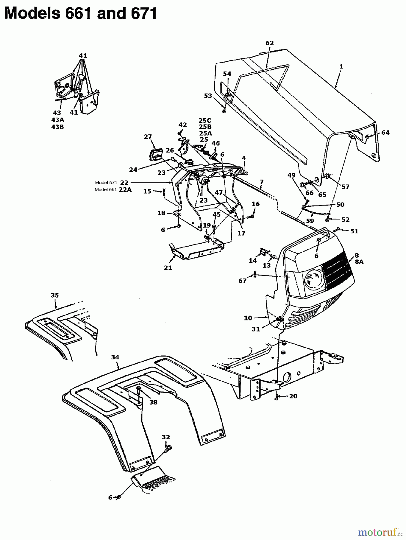
MTD CG 14 13AM661G607 (1997) Armaturenbrett, Motorhaube, Sitzwanne Ersatzteile
Armaturenbrett, Motorhaube, Sitzwanne 13AM661G607 (1997)

Hier finden Sie die Ersatzteilzeichnung für MTD Rasentraktoren CG 14 13AM661G607 (1997) Armaturenbrett, Motorhaube, Sitzwanne. Wählen Sie das benötigte Ersatzteil aus der Ersatzteilliste Ihres MTD Gerätes aus und bestellen Sie einfach online. Viele MTD Ersatzteile halten wir ständig in unserem Lager für Sie bereit.






















