MTD B 155 13AP678G678 (2002) Armaturenbrett, Motorhaube 8-Style, Sitzwanne Ersatzteile
Armaturenbrett, Motorhaube 8-Style, Sitzwanne 13AP678G678 (2002)

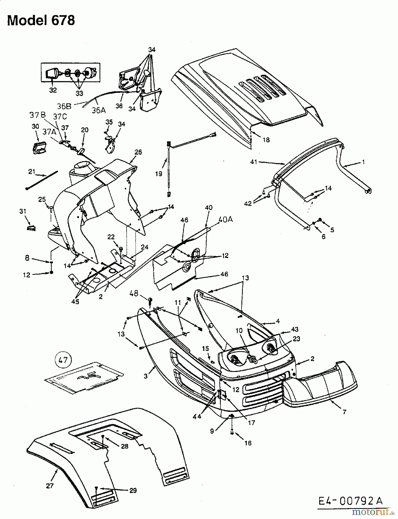
Hier finden Sie die Ersatzteilzeichnung für MTD Rasentraktoren B 155 13AP678G678 (2002) Armaturenbrett, Motorhaube 8-Style, Sitzwanne. Wählen Sie das benötigte Ersatzteil aus der Ersatzteilliste Ihres MTD Gerätes aus und bestellen Sie einfach online. Viele MTD Ersatzteile halten wir ständig in unserem Lager für Sie bereit.






















